EasyManua.ls Logo

Notifier AM2020 - Providing Power to Control Modules

Notifier AM2020
268 pages
Print Icon
To Next Page IconTo Next Page
To Next Page IconTo Next Page
To Previous Page IconTo Previous Page
To Previous Page IconTo Previous Page
Loading...
1-71
Installation 15088: J 10/22/99
Shield Drain Wire does
not connect to CMX but
should continue to the
next device
To next CMX or to a Power
Supervision Relay at the end of the line
(refer to Figures 4.7-3 through 4.7-5).
+24 VDC
+
-
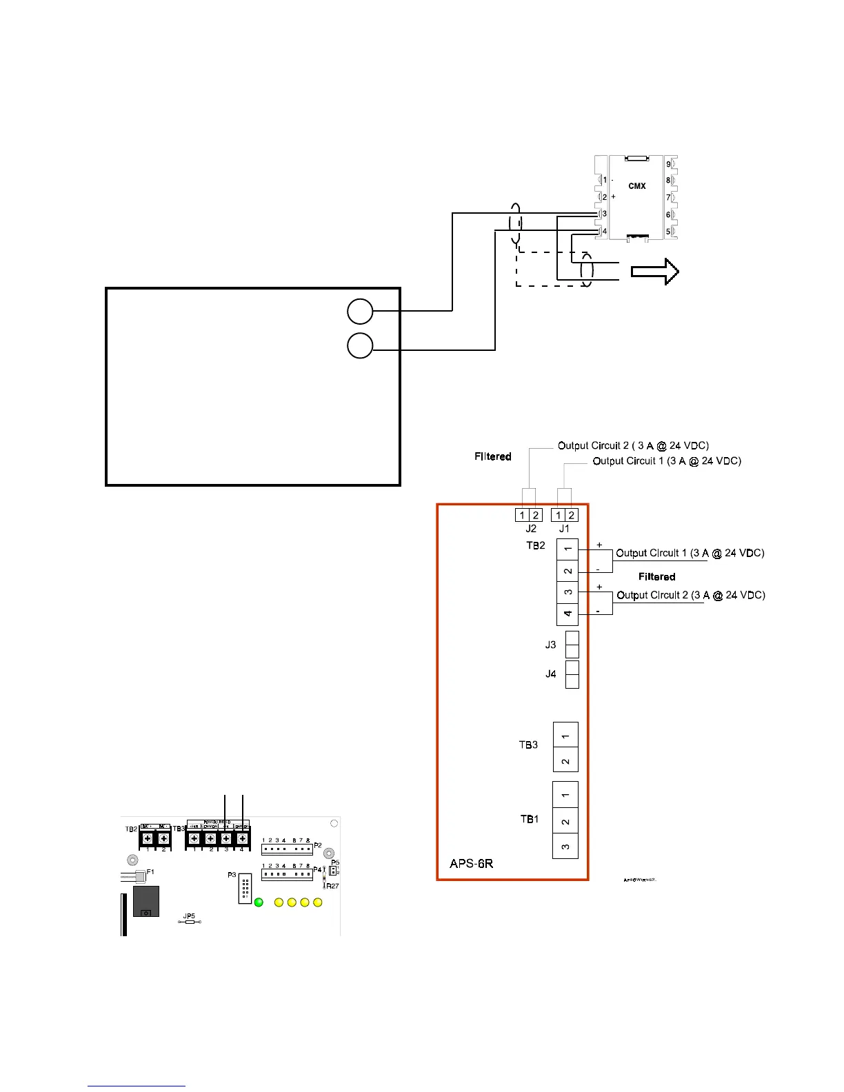
Figure 4.7-2 Providing Power to Control Modules
Notification appliance power can be supplied to CMX Control Modules by any one of the supplies illustrated in
Figure 4.7-2. This power is unsupervised and must be connected to a Power Supervision Relay wired to a CMX
Control Module (refer to Figures 4.7-3 through 4.7-5) or dedicated MMX module using the "MTRB" type ID.
When a remote power supply is employed, it must also be supervised.
MPS-24A/E
24 VDC
3.0 amps (filtered and power-limited)
+ -
Remote Supply
Common
-
+
UL Listed 24V DC Filtered
Power-limited Power Supply for use with
Fire Protective Signaling Systems
An auxiliary power supply is needed to power a CMX
notification appliance circuit when wiring losses due to long
wire runs prevent the use of the MPS-24A/E or APS-6R in
the AM2020/AFP1010 Refer to Appendix A and to the
Device Compatibility Document.
The power supply must have secondary power
source (i.e. batteries) with a backup capability equal
to the panel's backup (24 or 60 hours).
www.PDF-Zoo.com

Table of Contents

Other manuals for Notifier AM2020

Related product manuals