EasyManua.ls Logo

Omicron CP TD1 - DF Measurement Considerations

Omicron CP TD1
188 pages
Print Icon
To Next Page IconTo Next Page
To Next Page IconTo Next Page
To Previous Page IconTo Previous Page
To Previous Page IconTo Previous Page
Loading...
CP TD1 Reference Manual V 1.44
62
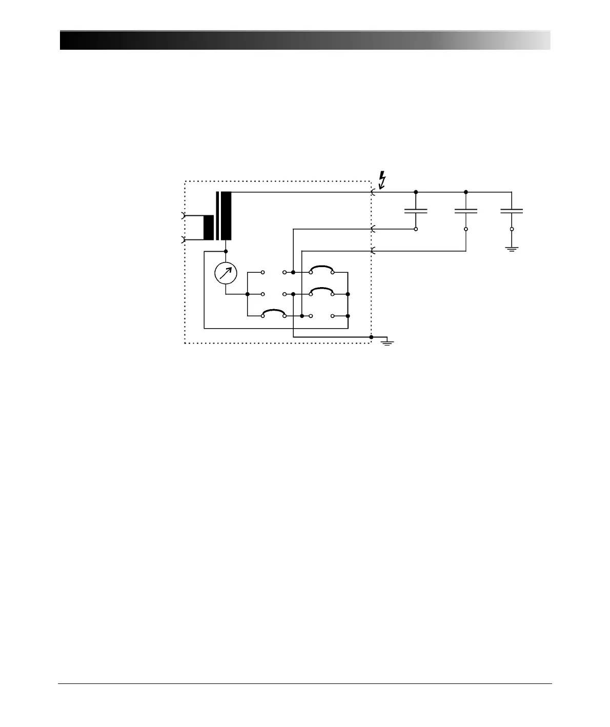
Next measurement is C HT. The connection diagram is shown in Figure 5-25.
The measuring mode is UST B. Without the GUARD technique it would not be
possible to measure C HT separately, because C HL in series to C LT are in
parallel to C HT. Only by connecting L to GUARD the current flowing to L is not
measured.
Figure 5-25 Measurement of C HT in UST-B mode, C HL and C H are
guarded
IN A
IN B
C
HL
C
HT
C
H
UST-B
C = C
HT

Table of Contents

Other manuals for Omicron CP TD1

Related product manuals