EasyManua.ls Logo

Omicron CP TD1 - Page 63

Omicron CP TD1
70 pages
Print Icon
To Next Page IconTo Next Page
To Next Page IconTo Next Page
To Previous Page IconTo Previous Page
To Previous Page IconTo Previous Page
Loading...
OMICRON 63
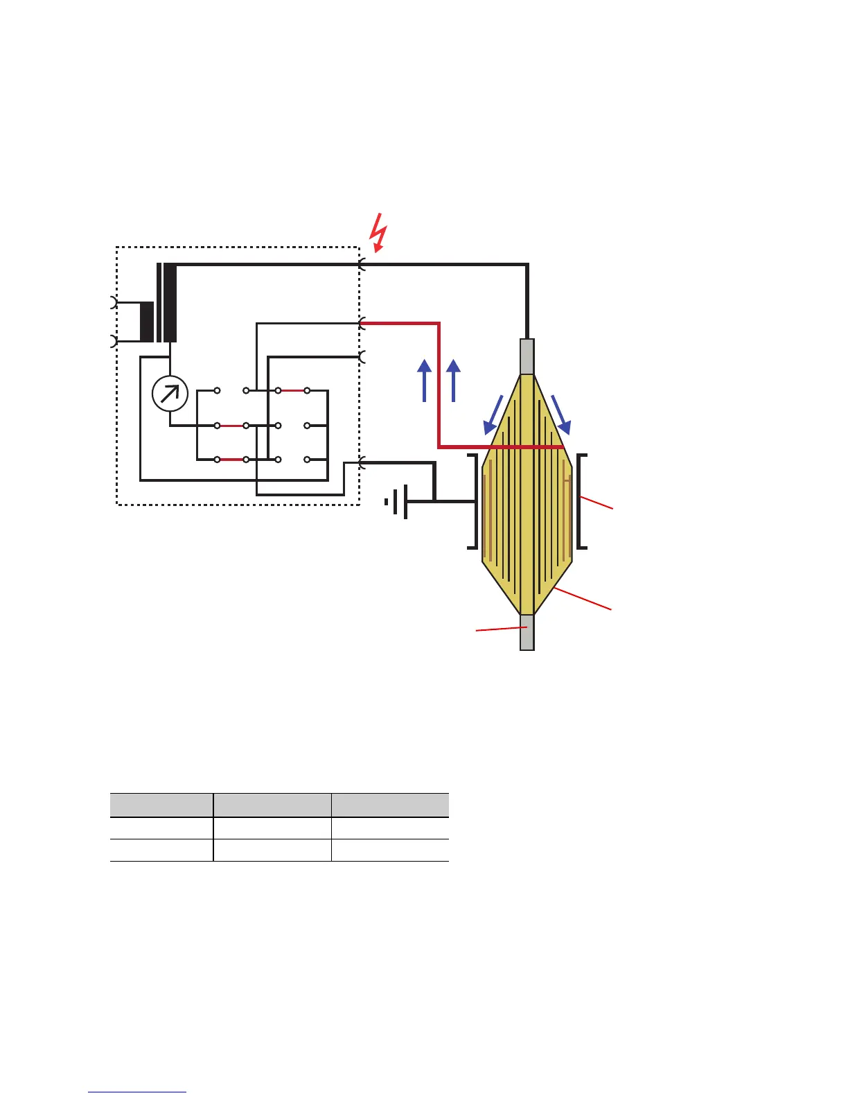
High-voltage bushings
When the relative humidity is high, measurements are often influenced by the current, which is flowing
on the surface of the insulator. Sometimes these currents are in the same order as the current, which is
flowing through the insulation or even higher. If a good cleaning and drying of the insulator surface is not
sufficient, the guard technique should be used to bypass this current (see Figure 6-6).
Figure 6-6: Use of the guard method for bypassing the surface current
This connection technique is also very useful when the insulation of cables is measured.
When transformer bushings are tested, IN A and IN B can be used to measure two bushings at a time
without rewiring:
Frequency scans of bushing insulation are helpful for a better diagnosis as some problems cause a
larger deviation at power frequencies which is better visible when comparing good and bad bushings.
This additional information should be used as benchmark of the bushing for future comparison.
Table 6-1: Measurements
Measurement UST A (IN A)
UST B (IN B)
1 Phase A Phase B
2 Phase C Neutral
Mounting flange
Paper insulation
IN A
IN B
Main conductor
Surface current

Table of Contents

Other manuals for Omicron CP TD1

Related product manuals