EasyManua.ls Logo

Omron 3G3MX2 - Page 276

Omron 3G3MX2
440 pages
Print Icon
To Next Page IconTo Next Page
To Next Page IconTo Next Page
To Previous Page IconTo Previous Page
To Previous Page IconTo Previous Page
Loading...
5-159
5-12 Simple Position Control Function
SYSDRIVE MX2 Series USER'S MANUAL (3G3MX2-A@@@@)
5
Functions
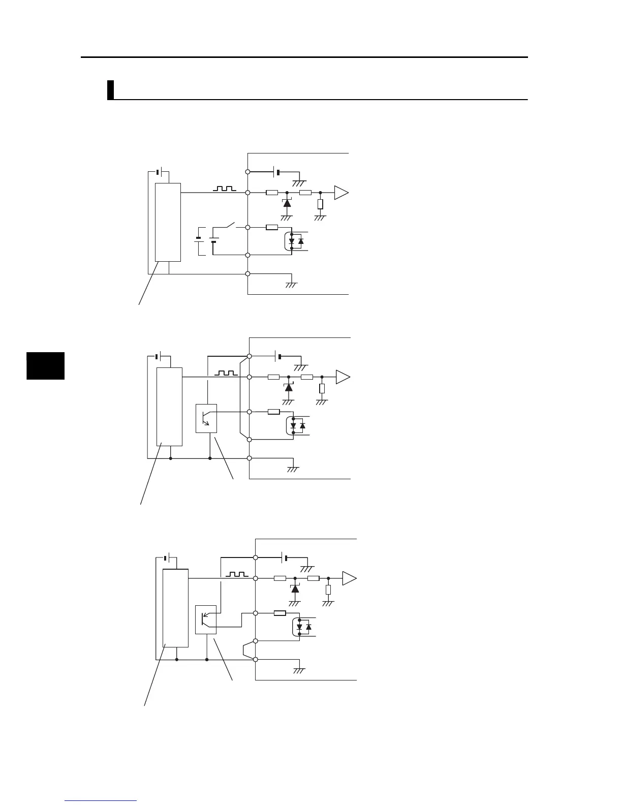
1-pulse + Direction Signal
Input the 1-phase pulse to the RP terminal and direction signal to the EB terminal. The EB
terminal can support both the sink logic and source logic by changing the shorting bar position.
Allocate EB to multi-function input terminal S7/EB.
The EB terminal is OFF for forward and ON for reverse.
P24
RP
S7/EB
PSC
SC
Vcc
GND
Out
3G3MX2
Voltage-output or PNP
open-collector type encoder
Encoder
Direction
P24
RP
S7/EB
PSC
SC
Vcc
GND
Out
3G3MX2
Encoder
Voltage-output or PNP
open-collector type encoder
Sink transistor
Direction
P24
RP
S7/EB
PSC
SC
Vcc
GND
Out
3G3MX2
Encoder
Voltage-output or PNP
open-collector type encoder
Source transistor
Direction

Table of Contents

Other manuals for Omron 3G3MX2

Related product manuals