EasyManua.ls Logo

Omron TM5 Regular Payload Series - Connecting Tool End Digital Output; Connecting Tool End Digital Input; Connecting Tool End Analog Input

Omron TM5 Regular Payload Series
68 pages
Print Icon
To Next Page IconTo Next Page
To Next Page IconTo Next Page
To Previous Page IconTo Previous Page
To Previous Page IconTo Previous Page
Loading...
Regular Payload Series-Hardware Installation Manual TM5 Series 50
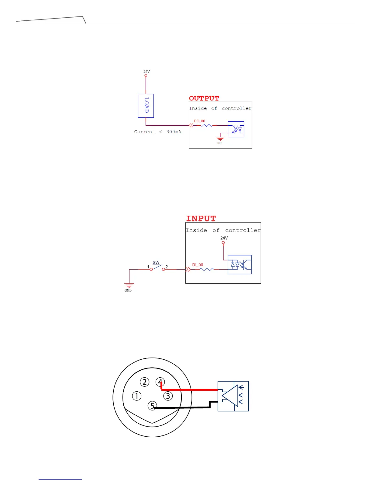
5.4.2 Connecting Tool End Digital Output
The following figure shows how to connect the tool end digital output:
5.4.3 Connecting Tool End Digital Input
The following figure shows how to connect the tool end digital input:
NOTE: If sensors are connected directly then they should be NPN.
5.4.4 Connecting Tool End Analog Input
Input range of -10.00 V ~ +10.00 V.
The following figure shows how to connect the tool end Analog input:
(Because AIN_GND is connected to ground, when AIN is a dead contact, a pressure difference will occur,
which is a normal phenomenon.)
-
+

Table of Contents

Related product manuals