EasyManua.ls Logo

OnRobot RG2-FT - Rg2

OnRobot RG2-FT
282 pages
Print Icon
To Next Page IconTo Next Page
To Next Page IconTo Next Page
To Previous Page IconTo Previous Page
To Previous Page IconTo Previous Page
Loading...
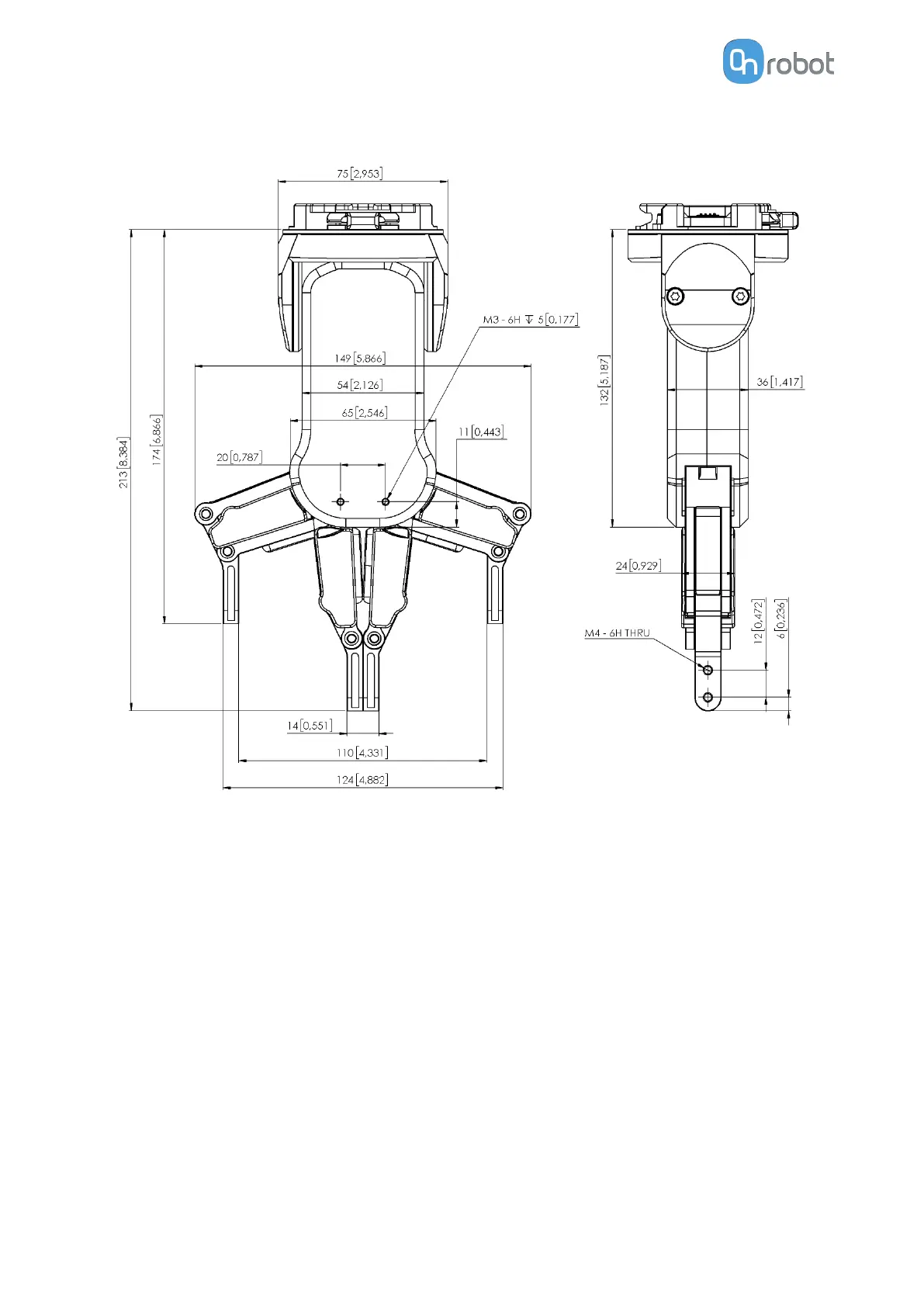
8.2.4.3. RG2
All dimensions are in mm and [inches].
HARDWARE SPECIFICATION
238

Table of Contents

Other manuals for OnRobot RG2-FT

Related product manuals