EasyManua.ls Logo

Panasonic FPG-COM2-A - Page 41

Panasonic FPG-COM2-A
332 pages
Print Icon
To Next Page IconTo Next Page
To Next Page IconTo Next Page
To Previous Page IconTo Previous Page
To Previous Page IconTo Previous Page
Loading...
CPU Types
FPΣ User's Manual
24
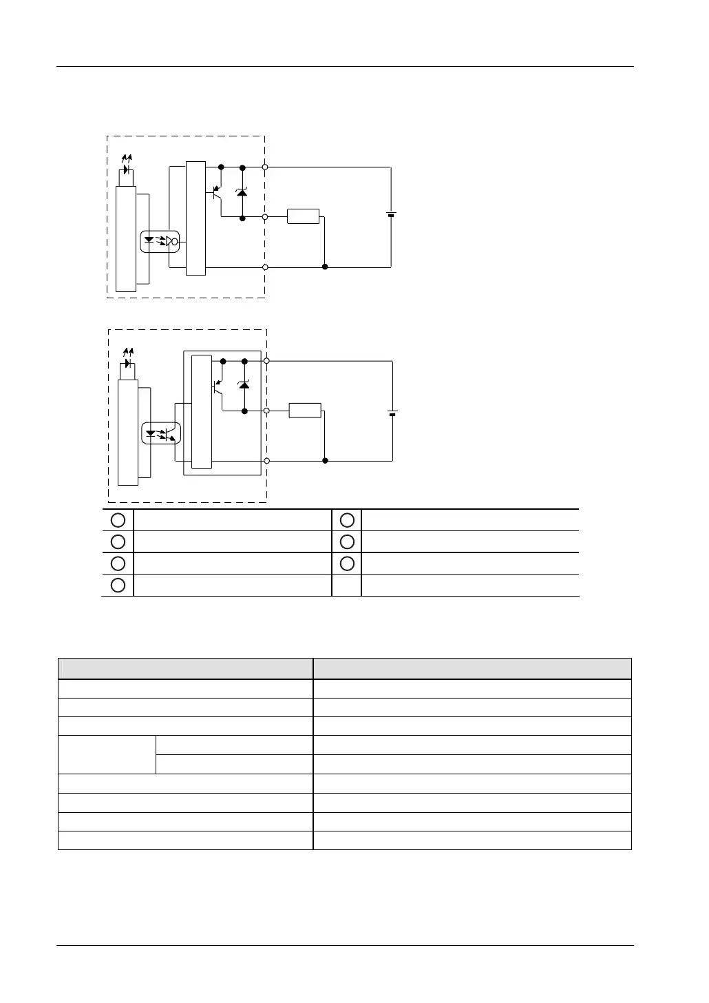
C28 - PNP
+
[Y0, Y1, Y3, Y4]
-
+
-
[Y2, Y5-YB]
24V DC
24V DC
1
Internal circuit
5
Load
2
Output circuit
6
External power supply
3
Output indicator LED
7
Phase fault protection circuit
4
Output
Relay types
These output specifications apply to the C24 CPU type.
Item Description
Output type
1a
Nominal switching capacity (resistive load)
2A 250V AC, 2A 30V DC (max. 4.5A/common)
Output points per common
8
FALSE TRUE
10ms
Response time
TRUE FALSE
8ms
Mechanical lifetime
20 000 000 operations
Electrical lifetime
100 000 operations
Surge absorber
Operation mode indicator
LEDs

Table of Contents

Related product manuals