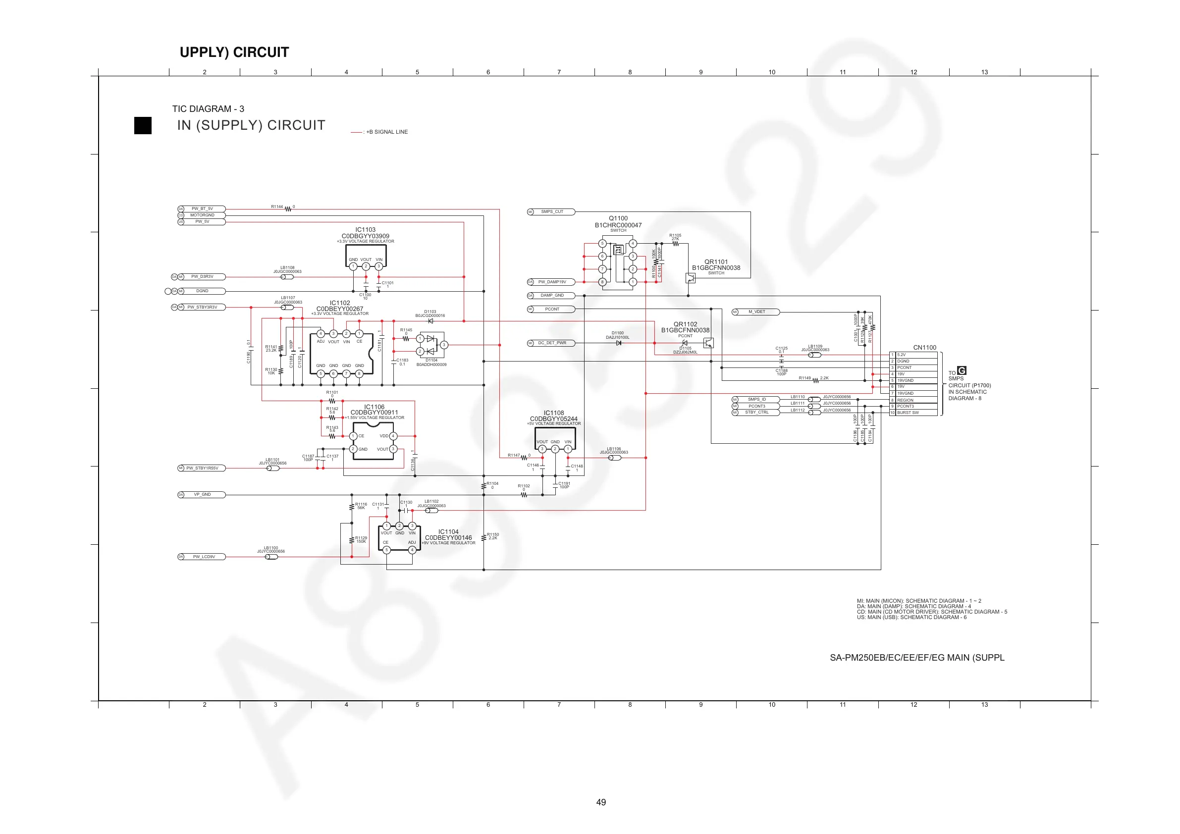
13.4. MAIN (SUPPLY) CIRCUIT
A
1
2 3 4 5 6 7 8 9 10 11 12 13 14
1 2 3 4 5 6 7 8 9 10 11 12 13 14
C
D
B
E
G
H
F
A
C
D
B
E
G
H
F
B
MAIN (SUPPLY) CIRCUIT
SCHEMATIC DIAGRAM - 3
SA-PM250EB/EC/EE/EF/EG MAIN (SUPPLY) CIRCUIT
: +B SIGNAL LINE
G
TO
SMPS
CIRCUIT (P1700)
IN SCHEMATIC
DIAGRAM - 8
R1149 2.2K
DZ2J062M0L
D1105
B1GBCFNN0038
PCONT
QR1102
D1100
DA2J10100L
6
8
9
7
2
1
4
5
3
10
CN1100
J0JYC0000656LB1112
J0JYC0000656LB1111
J0JYC0000656LB1110
C1186
C1184
C1185
100P
100P
100P
C1125
0.1
C1188
100P
J0JGC0000063
LB1109
1000PC1001
39KR1128
470KR1127
PW_DAMP19V
DA
SMPS_CUT
MI
M_VDET
MI
SMPS_ID
MI
PCONT3
MI
STBY_CTRL
MI
7
8
6
5
2
1
3
4
Q1100
B1CHRC000047
SWITCH
J0JGC0000063
LB1108
MOTORGND
CD
PW_5V
US
PW_D3R3V
MIDA
DAUS
DA
DGND
MI
C1101
1
213
C0DBGYY03909
+3.3V VOLTAGE REGULATOR
IC1103
QR1101
B1GBCFNN0038
SWITCH
C1141 1000P
27K
R1105
R1100 100K
LB1100
J0JYC0000656
C1137
1
C1187
100P
J0JYC0000656
LB1101
2.2K
R1150
R1129
150K
31 2
45
C0DBEYY00146
+9V VOLTAGE REGULATOR
IC1104
0
R1104
J0JGC0000063
LB1102
R1116
56K
1
C1130
1
C1131
DA
PW_LCD9V
DA
VP_GND
MI
PW_STBY1R55V
R1145
0
0.1
C1183
B0JCGD000016
D1103
3
1
2
B0ADDH000009
D1104
C1136 1
0
R1101
5.6
R1142
5.6
R1143
0.1C1190
23.2K
R1141
10K
R1130
100PC1189
C11201
R1144 0
DA
PW_BT_5V
675
243
8
1
C0DBEYY00267
+3.3V VOLTAGE REGULATOR
IC1102
MI
PW_STBY3R3V
J0JGC0000063
LB1107
C1181 1
14
2 3
IC1106
C0DBGYY00911
+1.55V VOLTAGE REGULATOR
2 13
C0DBGYY05244
+5V VOLTAGE REGULATOR
IC1108
100P
C1191
1
C1148
LB1106
J0JGC0000063
R1147 0
C1146
1
0
R1102
DAMP_GND
DA
DC_DET_PWR
MI
PCONT
MI
PCONT3
BURST SW
5.2V
19V
19V
DGND
19VGND
PCONT
19VGND
REGION
GND
ADJ
GNDGND GND
CE
VINVOUT
GND VINVOUT
GND
CE
GND
ADJ
VINVOUT
CE
VDD
VINGNDVOUT
VOUT
MI: MAIN (MICON): SCHEMATIC DIAGRAM - 1 ~ 2
DA: MAIN (DAMP): SCHEMATIC DIAGRAM - 4
CD: MAIN (CD MOTOR DRIVER): SCHEMATIC DIAGRAM - 5
US: MAIN (USB): SCHEMATIC DIAGRAM - 6
C1100
10