EasyManua.ls Logo

Panasonic SA-PM250EB - SMPS CIRCUIT

Panasonic SA-PM250EB
74 pages
Print Icon
To Next Page IconTo Next Page
To Next Page IconTo Next Page
To Previous Page IconTo Previous Page
To Previous Page IconTo Previous Page
Loading...
54
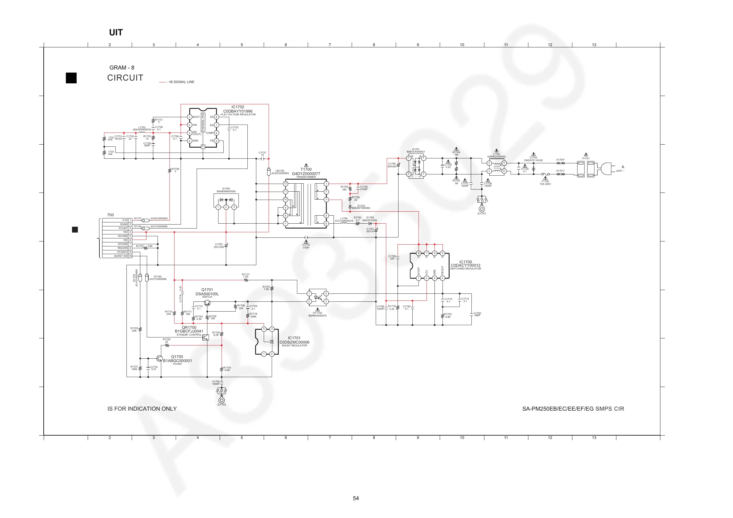
13.9. SMPS CIRCUIT
A
1
2 3 4 5 6 7 8 9 10 11 12 13 14
1 2 3 4 5 6 7 8 9 10 11 12 13 14
C
D
B
E
G
H
F
A
C
D
B
E
G
H
F
G
SMPS CIRCUIT
SCHEMATIC DIAGRAM - 8
SA-PM250EB/EC/EE/EF/EG SMPS CIRCUIT
B
TO
MAIN (SUPPLY)
CIRCUIT (CN1100)
IN SCHEMATIC
DIAGRAM - 3
NOTE: “ * ” REF IS FOR INDICATION ONLY
: +B SIGNAL LINE
C1710
470P
1
2
3
11
10
12
6
58
7
9
T1700
G4DYZ0000077
TRANSFORMER
321
ZJ1701
C1701
50V10
L1700
G1C100K00019
4.7
R1700
DA22F2100L
D1708
B0EAKT000063
D1703
P1751
K1700*
Z1752
D4EAY511A182
C1725
0.1
3
2
4
1
L1702
G0B922G00002
T2A 250V
F1700
C1706
400V82
R1724
R1726
C1702
0.22
4
3
1
2
D1701
B0EDLR000001
C1728C1727
1000P1000P
K1701*
C1705
4700P
R1708
22
33K
R1704
6.8K
R1702
0.22
R1718
C1708
1000P
C1740
0.1
C1720
10P
C1700
390P
67 5
2 43
8
1
C0DACYY00012
SWITCHING REGULATOR
IC1700
C1712
0.1
0.1
C1715
PC1702
B3PBA0000579
4
3
1
2
R1701
1.5K
31 2
D1700
B0ABSM000008
C1703
25V1000
3.3K
R1703
R1705
10K
QR1700
B1GBCFJJ0041
STANDBY CONTROL
R1728
8.2K
R1710
47K 10K
R1711
R1727
100K
R1725
22K
R1740
J0JYC0000656
R1739
J0JYC0000656
C1716
0.01
321
ZJ1702
C1704
1000P
6.8K
R1730
Q1700
B1ABGC000001
PCONT
R1729
22
R1707 3.9K
C1714
0.1
0.47C1719
22K
R1706
DSA500100L
SWITCH
Q1701
390K
R1716
1
4
2
3
IC1701
C0DBZMC00006
SHUNT REGULATOR
R1717
1.2K
C1709
0.1
AC IN
220V ~ 240V 50Hz
1M
1M
D
GND
VCC
D
FB/OLP
D
D
S/OCP
R1733
10K
R1736
0
R1732
47K
C1739
390P
10
R1735
0.1
C1736
L1703
G0A100H00018
C1733
0.1
LB1700
J0JGC0000063
10
C1737
C1738
0.1
0
R1731
C1732C1731
16V22
6
7
T1
5
2
4
3
8
THERMAL PAD
1
C0DBAYY01996
+5.2V VOLTAGE REGULATOR
IC1702
R1737 J0JGC0000063
R1738 J0JYC0000656
6
8
9
7
2
1
4
5
3
10
P1700
FB
VIN
EN
DGND
PCONT
16VGND
5.2V
16V
16V
16VGND
BURST SW
PCONT3
REGION
GND
SW
(VOUT)
22
COMP
SS
BOOT

Table of Contents

Related product manuals