EasyManua.ls Logo

Panasonic SC-TM72DV - CD Motor and Belt Replacement

Panasonic SC-TM72DV
132 pages
Print Icon
To Next Page IconTo Next Page
To Next Page IconTo Next Page
To Previous Page IconTo Previous Page
To Previous Page IconTo Previous Page
Loading...
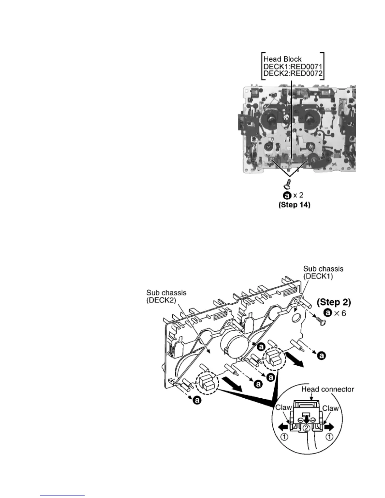
Step 14 Remove 2 screws.
17.12.1 Replacement for the CD motor ass ’ y, capstan belt A, capstan belt B and winding belt
17.12.1 Replacement for the CD motor ass’y, capstan
belt A, capstan belt B and winding belt
Step 1 Release the 2 claws, and then remove the head connector.
Step 2 Remove 6 screws.
Step 3 Remove the sub chassis.

Table of Contents

Related product manuals