EasyManua.ls Logo

Parker 6K8 - Digital Outputs

Parker 6K8
58 pages
Print Icon
To Next Page IconTo Next Page
To Next Page IconTo Next Page
To Previous Page IconTo Previous Page
To Previous Page IconTo Previous Page
Loading...
48
6K Hardware Installation Guide
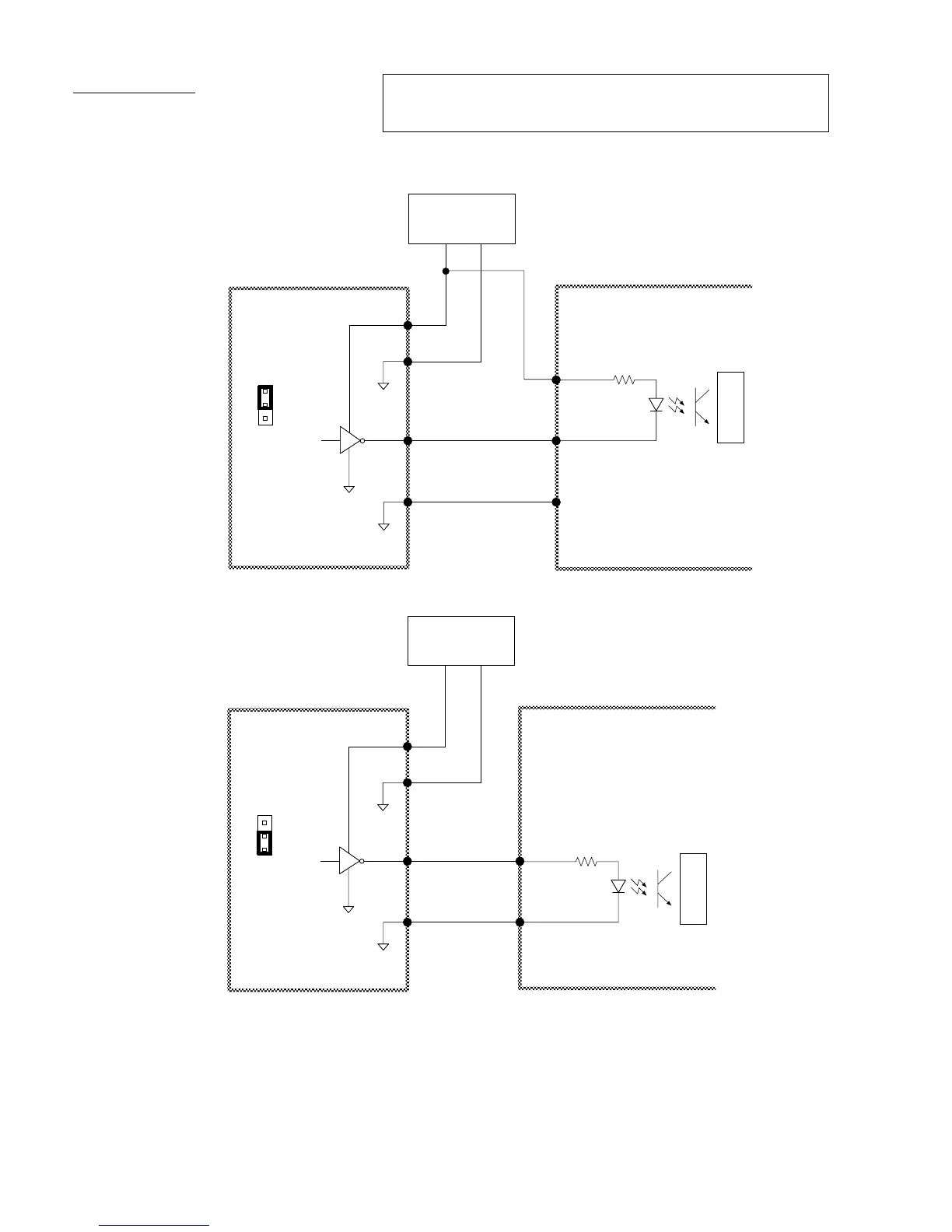
Digital Outputs
Sinking
Electronic
Device
Input
External Supply
(12 to 24VDC)
+
EVM32
Ground
Connection
Output
Connection
V+
J1 GND
Iso
GND
Iso GND
Jumper
set to
position 3
1
3
Sourcing
Electronic
Device
Input
Ground
External Supply
(12 to 24VDC)
+
EVM32
Ground
Connection
Output
Connection
Iso GND
Iso
GND
Jumper
set to
position 1
1
3
V+
J1 GND
CAUTION:
Remove power to the EMV32 baseboard before connecting I/O.
NOTE
: Use an external diode when driving inductive loads. Connect the diode
in parallel to the inductive load.

Related product manuals