EasyManua.ls Logo

Perkins 1106C - Page 119

Perkins 1106C
188 pages
Print Icon
To Next Page IconTo Next Page
To Next Page IconTo Next Page
To Previous Page IconTo Previous Page
To Previous Page IconTo Previous Page
Loading...
KENR6933 119
Troubleshooting Section
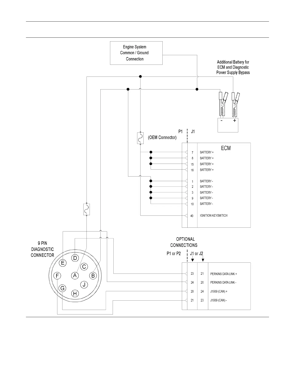
g01244183
Illu
stration 31
Schematic of the bypass harness connector

Table of Contents

Related product manuals