EasyManua.ls Logo

Perkins 1106C - Engine Wiring Information

Perkins 1106C
188 pages
Print Icon
To Next Page IconTo Next Page
To Next Page IconTo Next Page
To Previous Page IconTo Previous Page
To Previous Page IconTo Previous Page
Loading...
KENR6933 21
Troubleshooting Section
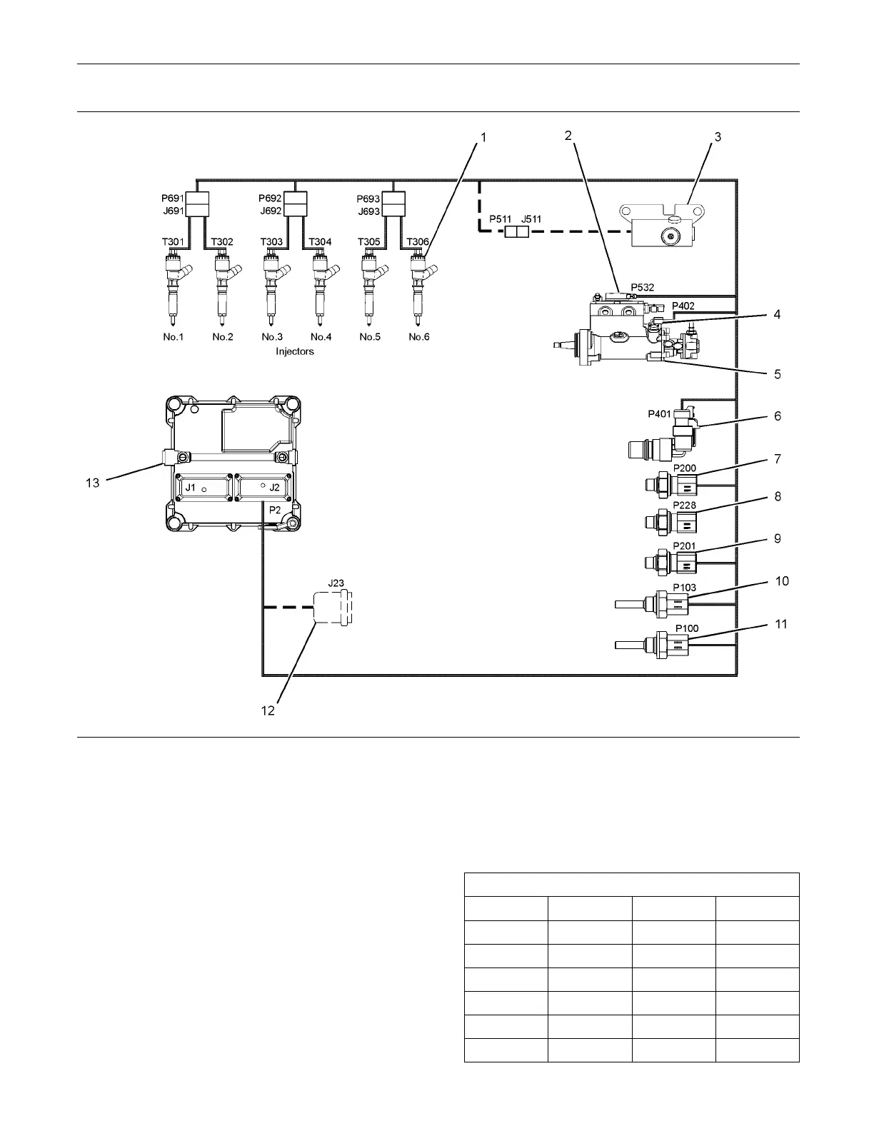
g01178531
Illustration 7
(1) Electronic Unit Injector
(2) Solenoid for the F uel Rail Pump
(3) Wastegate Regulator (if eq uipped)
(4) Secondary Speed/Timing Sensor
(5) F uel Rail Pump
(6) Primary Speed/Timing Sensor
(7) Intake Manifold Pressure Sens or
(8) Fuel Rail Pressure Sensor
(9) Engine Oil Pressure Sensor
(10) Intake Manifold Temperature Sensor
(11) Coolant Tempe rature Sensor
(12) Diagnostic Connector (if equipped)
(13) E lectronic Control M odule (ECM)
i02444246
Engine Wiring Information
Harness Wire Identication
Perkins identies all wires with eleven solid colors.
The circuit number is stamped on the wire at a 25 mm
(1 inch) spacing. Table 6 lists the wire colors and the
color codes.
Table 6
Color Codes for the Harness Wire
Color Code Color Color Code Color
BK Black BU Blue
BR Brown PU P urple
RD Red
GY Gray
OR Orange
WH White
YL Yellow PK Pink
GN Green

Table of Contents

Related product manuals