EasyManua.ls Logo

Perkins 1106C - ECM Harness Connector Terminals

Perkins 1106C
188 pages
Print Icon
To Next Page IconTo Next Page
To Next Page IconTo Next Page
To Previous Page IconTo Previous Page
To Previous Page IconTo Previous Page
Loading...
24 KENR6933
Troubleshooting Section
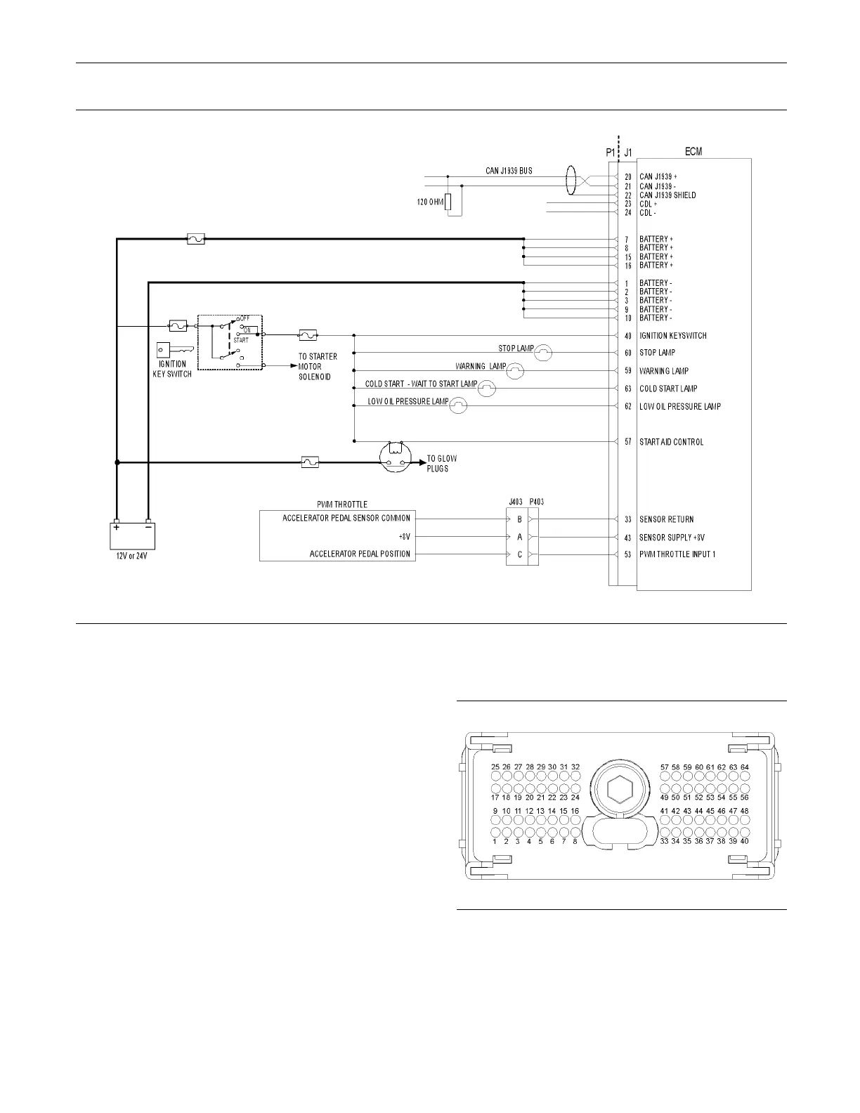
g01224168
Illustration 9
Schematic Diagram for a Typica l Application
i02414687
ECM Harness Connector
Terminals
The Electronic Control Module (ECM) uses
connectors that have 64 terminals to interface to the
wiring harness.
g01170706
Illustration 10
Layout of the C onnector Pins (view from the rear)

Table of Contents

Related product manuals