EasyManua.ls Logo

Perkins 1106C - Page 23

Perkins 1106C
188 pages
Print Icon
To Next Page IconTo Next Page
To Next Page IconTo Next Page
To Previous Page IconTo Previous Page
To Previous Page IconTo Previous Page
Loading...
KENR6933 23
Troubleshooting Section
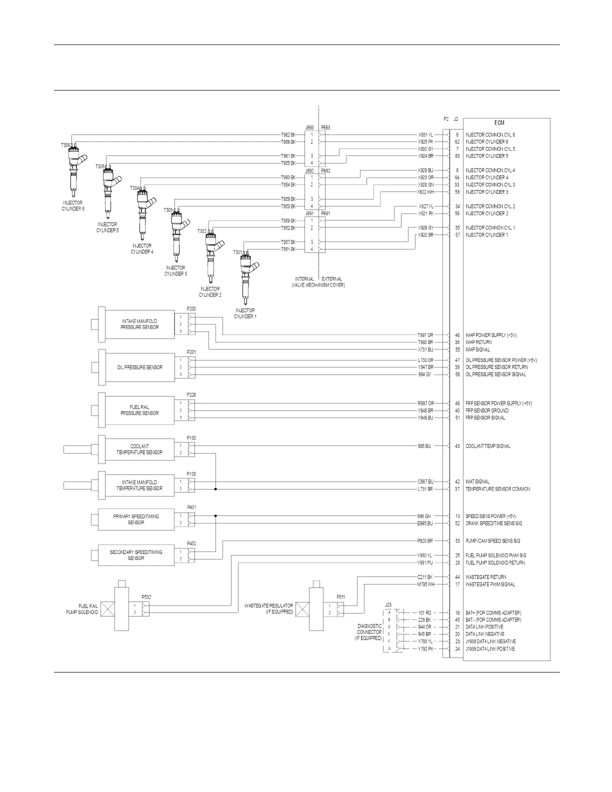
Schematic Diagrams
g01213981
Illustration 8
Sche
matic D iagram for the Engine H arness

Table of Contents

Related product manuals