EasyManua.ls Logo

Perkins 1204-E44TA - Page 316

Perkins 1204-E44TA
524 pages
Print Icon
To Next Page IconTo Next Page
To Next Page IconTo Next Page
To Previous Page IconTo Previous Page
To Previous Page IconTo Previous Page
Loading...
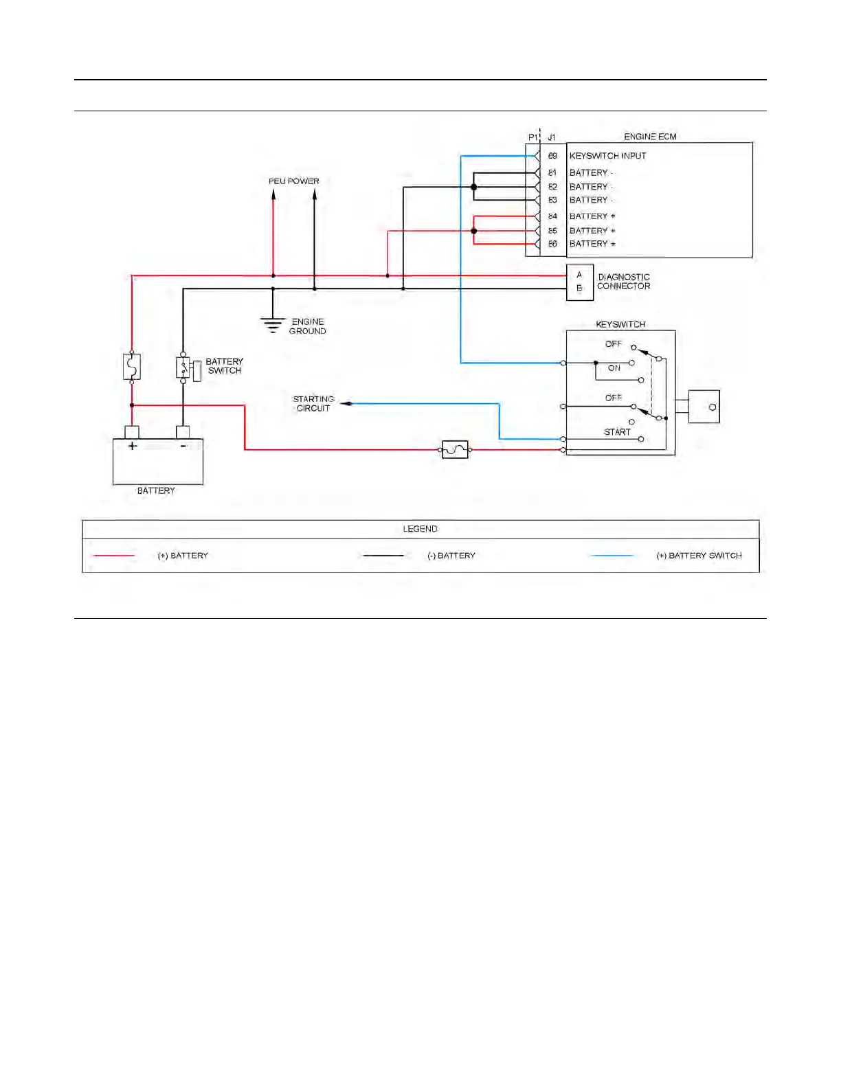
Illustration 104 g03813883
Schematic diagram for the engine electrical power supply circuit
Not all connectors are shown. Refer to the appropriate electrical schematic
316 UENR4469-36
Circuit Tests
Copyright of Perkins Engine Company Limited. NOT FOR REPRINTING OR RESALE

Table of Contents

Related product manuals