EasyManua.ls Logo

Perkins 1204-E44TA - Page 317

Perkins 1204-E44TA
524 pages
Print Icon
To Next Page IconTo Next Page
To Next Page IconTo Next Page
To Previous Page IconTo Previous Page
To Previous Page IconTo Previous Page
Loading...
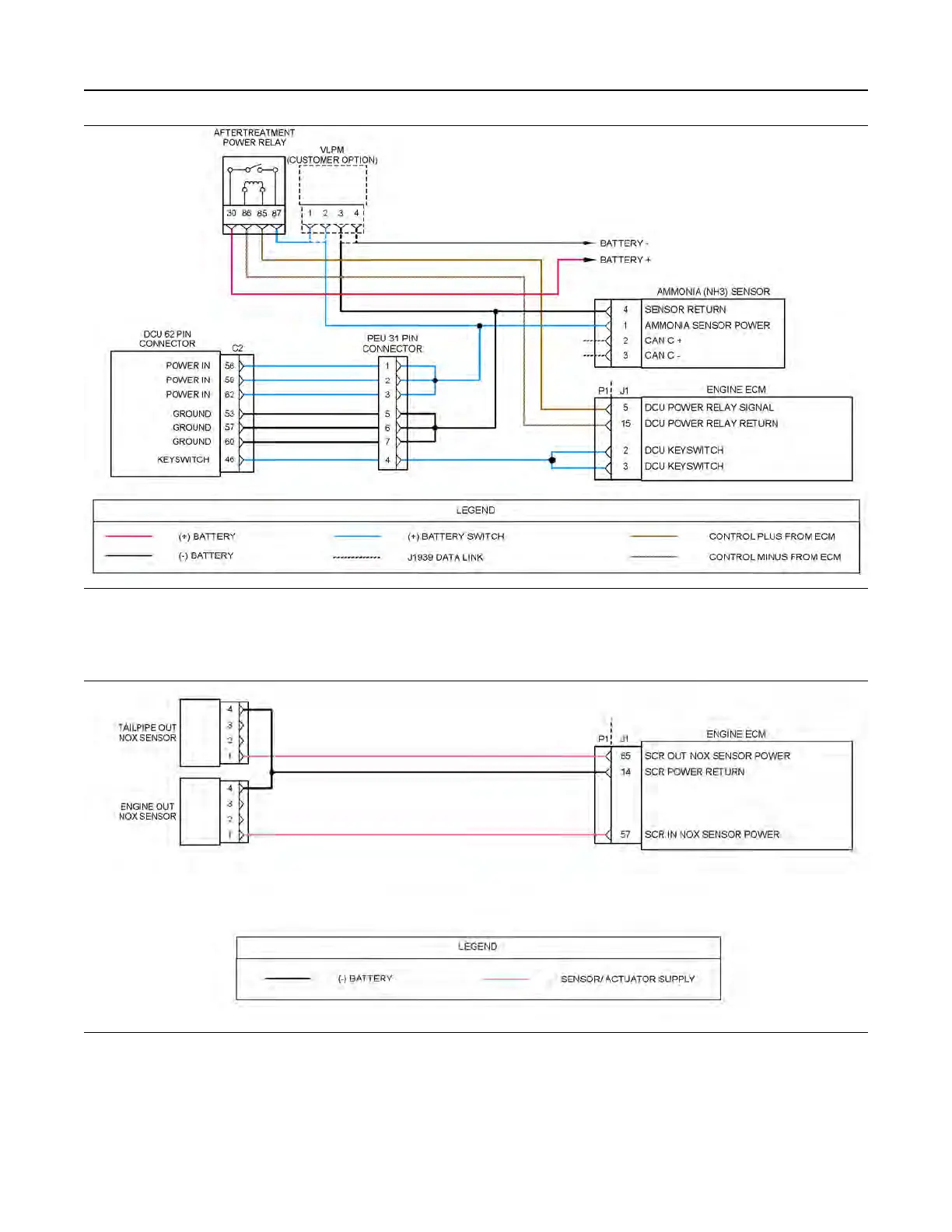
Illustration 105 g03813894
Schematic diagram for the DCU electrical power supply circuit
Not all connectors are shown. Refer to the appropriate electrical schematic
Illustration 106 g03813890
Schematic for the NOx sensor power supply circuit
Not all connectors are shown. Refer to the appropriate electrical schematic
Complete the procedure in the order in which the
steps are listed.
UENR4469-36 317
Circuit Tests
Copyright of Perkins Engine Company Limited. NOT FOR REPRINTING OR RESALE

Table of Contents

Related product manuals