EasyManua.ls Logo

Pfaff 3827-2 - Adjusting the Floating Foot

Pfaff 3827-2
66 pages
Print Icon
To Next Page IconTo Next Page
To Next Page IconTo Next Page
To Previous Page IconTo Previous Page
To Previous Page IconTo Previous Page
Loading...
Adjustment
14 - 12
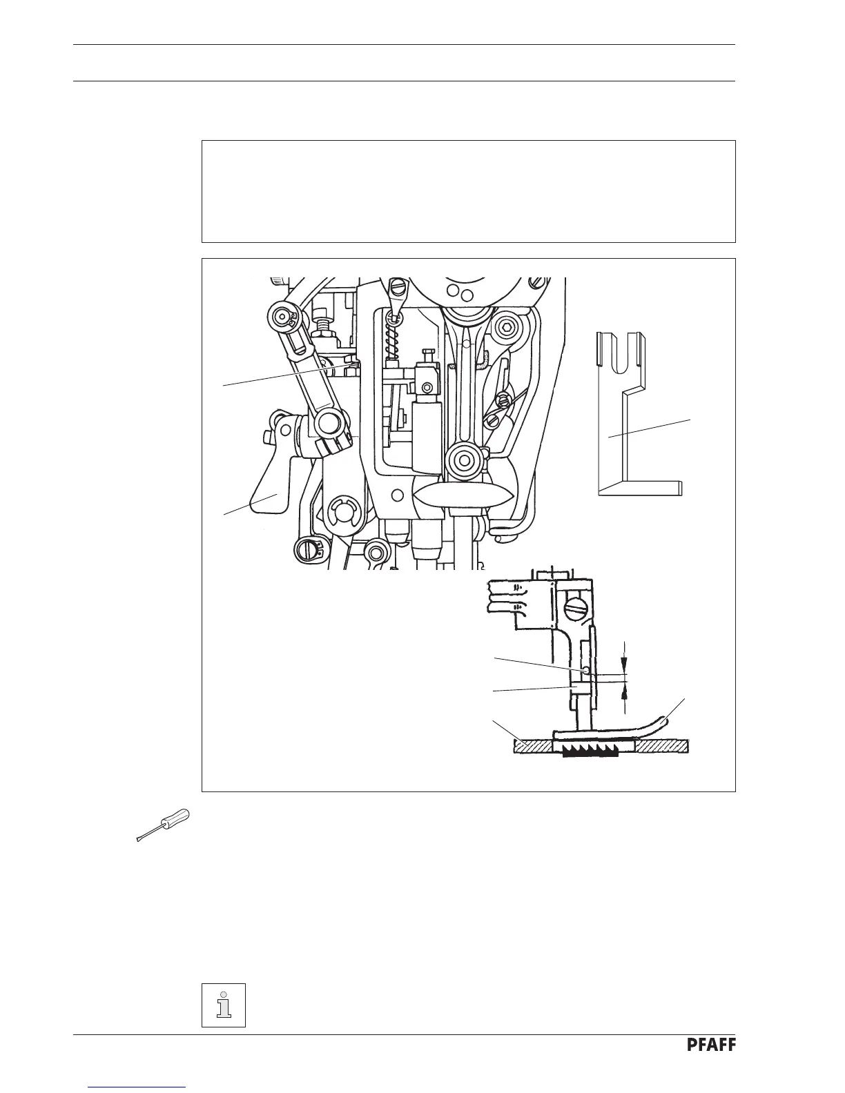
14.11 Adjusting the floating foot
Requirement
1. With the gauge foot 1 resting on the needle plate, screw 2 must be resting on the stop.
2. With the floating foot 4 resting on the needle plate 5 and the bottom feed dog
underneath the top edge of the needle plate there must be a distance of 0.5 mm
between stop 6 and guide 7.
Remove the floating foot 4 and replace it with the gauge foot 1.
Bring the gauge foot 1 to a resting position on the needle plate 5 using the presser bar
lifter 3.
Adjust screw 2 in accordance with requirement 1.
Remove the gauge foot 1 and replace it with the floating foot 4.
Bring the floating foot 4 to a resting position on the needle plate 5 using the presser bar
lifter 3.
Adjust screw 2 in accordance with requirement 2.
Take care to ensure that the presser foot pressure is stronger than the
pressure of the floating foot spring.
1
0.5 mm
7
6
5
4
3
2
Fig. 14 - 10

Table of Contents

Related product manuals