EasyManua.ls Logo

PFT G4 - 4 Structure and Function; Overview; Brief Description

PFT G4
99 pages
Print Icon
To Next Page IconTo Next Page
To Next Page IconTo Next Page
To Previous Page IconTo Previous Page
To Previous Page IconTo Previous Page
Loading...
Mixing Pump PFT G4
Structure and function
2007-09-05 25
Pos: 4.1 /KN2006-SM/Auf bau und Funktion/001 1 Auf bau und Funktion_Titel @ 8\ mod_1143713625726_293 361.doc @ 293618
4 Structure and function
Pos: 4.2 /KN2006-SM/Auf bau und Funktion/002 1. 1 Übersicht_Titel @ 9\ mod_1144046023684_2933 61.doc @ 293619
4.1 Overview
Pos: 4.3 /KN2006-Pr ojekte/Knauf/Aufbau und Fu nktion/Mischpu mpe PFT G4/Baugruppenübersi cht @ 12\mod_11520221 79958_293361.doc @ 298811
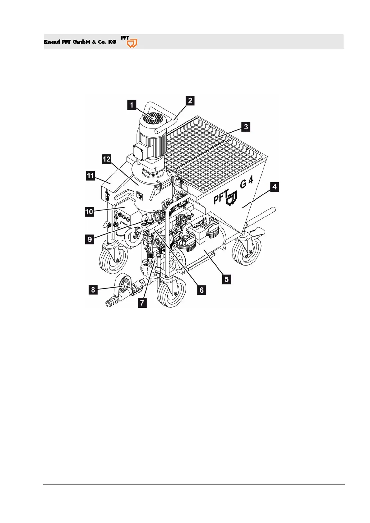
Fig. 6: Overview of major subassemblies
1 Mixer motor
2 Motor protection bracket
3 Protective grille with bag opener
4 Material container G 4
5 Compressor
6 Water fitting
7 Mortar pump D6-3
8 Mortar pressure manometer
9 Water inlet on the mixing pipe
10 Control panel
11 Tool box
12 Mixing pipe
Pos: 4.4 /KN2006-SM/nL---------- Abschnittsende ---------- @ 8\mod_1141997892953_0.doc @ 293763
Pos: 4.5 /KN2006-SM/Auf bau und Funktion/003 1. 1 Kurzbeschreibung_ Titel @ 9\mod_11440485086 54_293361.doc @ 293621
4.2 Brief description
Pos: 4.6 /KN2006-Pr ojekte/Knauf/Aufbau und Fu nktion/Mischpu mpe PFT G4/Kurzbeschrei bung Text @ 12\mod_115202266 3054_293361.doc @ 298813
The PFT G4 Mixing Pump is a continuous operation mixing pump
for factory pre-mixed dry mortar. It can be filled with mortar
delivered in bags as well as via transfer hood or injection hood.
The machine consists of portable single components that permit
fast and convenient assembly, disassembly and transport due to
their small, handy dimensions, and low weight.
Pos: 4.7 /KN2006-SM/nL.......... Seitenumbruch .......... @ 8\mod_1141998334703_0.doc @ 293764

Table of Contents

Related product manuals