EasyManua.ls Logo

Philips L01.1A - Power Supply

Philips L01.1A
88 pages
Print Icon
To Next Page IconTo Next Page
To Next Page IconTo Next Page
To Previous Page IconTo Previous Page
To Previous Page IconTo Previous Page
Loading...
Circuit Description
GB 78 L01.1A9.
format, 16:9, 14:9, 16:9 zoom, subtitle zoom and the Super-
Wide picture format
A line, written at the upper- or lower side of the screen, will
be larger at the screen centre when a fixed deflection current
is used. Therefore, the amplitude of the deflection current
must be increased when the spot approaches the centre of
the screen. This is called the East/West or pincushion
correction.
The ‘Ewdrive’ signal from pin 15 of IC7200 takes care for the
correct correction. It drives FET TS7400. It also corrects
breathing of the picture, due to beam current variations (the
EHT varies dependent of the beam current). This correction
is derived from the ‘EHTinformation’ line.
Two protections are built-in for the E/W circuit: over-current
and over-voltage protection. See paragraph Power Supply.
Panorama (if present)
The panorama function is only used in 16:9 sets. This is a
function to enable the 4:3 and Super-Wide feature. It drives
the ‘Bass_panorama’ line, to activate relay 1400. When this
relay is switched on, the capacitors 2453//2454 are added in
parallel to the default S-correction capacitors 2456//2457.
This results in an increased capacitance, a lower resonance
frequency of the line deflection coil and the S-correction
capacitors and therefore a less steep S-corrected line
deflection current.
9.5.4 Rotation (if present)
To cope with the different earth magnetism situations in the
world, a rotation coil is added. This coil is controlled by the
rotation circuitry (see diagram A15).
The amount of frame rotation is user controlled via the the
PWM output (pin 77) of the UOC.
With the tilt setting at ‘-10’, the PWM duty cycle is 0.1
(leftmost tuning).
With the setting at ‘+10’, the duty cycle is 0.9 (rightmost
tuning).
The output of amplifier IC7171 is a DC-voltage in the range
from 0 (user setting = -10), via 6 V (user setting = 0) to 12 V
(user setting = +10).
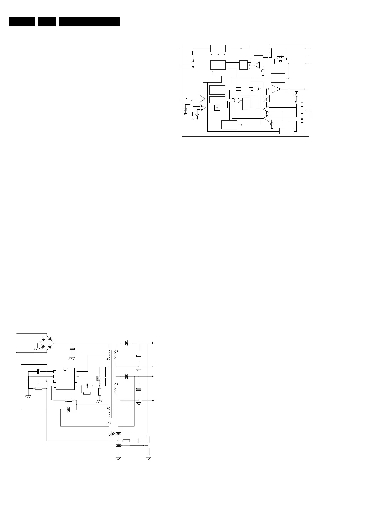
9.6 Power Supply
Figure 9-6
Figure 9-7
9.6.1 Introduction
The supply is a Switching Mode Power Supply (SMPS). The
frequency of operation varies with the circuit load. This
‘Quasi-Resonant Flyback’ behaviour has some important
benefits compared to a ‘hard switching’ fixed frequency
Flyback converter. The efficiency can be improved up to
90%, which results in lower power consumption. Moreover
the supply runs cooler and safety is enhanced.
The power supply starts operating when a DC voltage goes
from the rectifier bridge via T5520, R3532 to pin 8. The
operating voltage for the driver circuit is also taken from the
‘hot’ side of this transformer.
The switching regulator IC7520 starts switching the FET ‘on’
and ‘off’, to control the current flow through the primary
winding of transformer 5520. The energy stored in the
primary winding during the ‘on’ time is delivered to the
secondary windings during the ‘off’ time.
The ‘MainSupply’ line is the reference voltage for the power
supply. It is sampled by resistors 3543 and 3544 and fed to
the input of the regulator 7540/6540. This regulator drives the
feedback optocoupler 7515 to set the feedback control
voltage on pin 3 of 7520.
The power supply in the set is ‘on’ any time AC power goes
to the set.
Derived Voltages
The voltages supplied by the secondary windings of T5520
are:
‘MainAux’ for the audio circuit (voltage depends on set
execution, see table below),
3.3 V and 3.9 V for the microprocessor and
‘MainSupply’ for the horizontal output (voltage depends
on set execution, see table below).
Other supply voltages are provided by the LOT. It supplies
+50 V (only for large screen sets), +13 V, +8 V, +5 V and a
+200 V source for the video drive. The secondary voltages of
the LOT are monitored by the ‘EHTinformation’ lines. These
lines are fed to the video processor part of the UOC IC7200
on pins 11 and 34.
This circuit will shut ‘off’ the horizontal drive in case of over-
voltage or excessive beam current.
Demag4
Ctrl
Gnd
Vcc Drain
HVS
Driver
Sense
3
2
1
5
6
7
8
V
LINE
V
TEA1507
IN
C
IN
V
CC
C
D
R
SENSE
C
SS
R
SS
V
OUT
N
S
N
P
N
Vcc
CL 16532020_074.eps
120401
SUPPLY
MANAGEMENT
internal
supply
UVLO start
M-level
V
CC
1
2
3
GND
S1
CTRL
FREQUENCY
CONTROL
VOLTAGE
CONTROLLED
OSCILLATOR
LOGIC
LOGIC
OVER-
VOLTAGE
PROTECTION
OVERPOWER
CL 16532020_073.eps
060701
PROTECTION
short
winding
soft
start
S2
OVER-
TEMPERATURE
PROTECTION
SQ
R
UVLO
Q
MAXIMUM
ON-TIME
PROTECTION
POWER-ON
RESET
1
VALLEY
TEA1507
100 mV
clamp
DRIVER
START-UP
CURRENT SOURCE
0.75 V
0.5 V
5
I
sense
6
DRIVER
4
DEM
8
DRAIN
7
HVS
n.c.
OCP
LEB
blank
I
ss
2.5 V
burst
detect

Table of Contents

Related product manuals