EasyManua.ls Logo

Philips L01.1A - Large Signal Panel: PIP Interface

Philips L01.1A
88 pages
Print Icon
To Next Page IconTo Next Page
To Next Page IconTo Next Page
To Previous Page IconTo Previous Page
To Previous Page IconTo Previous Page
Loading...
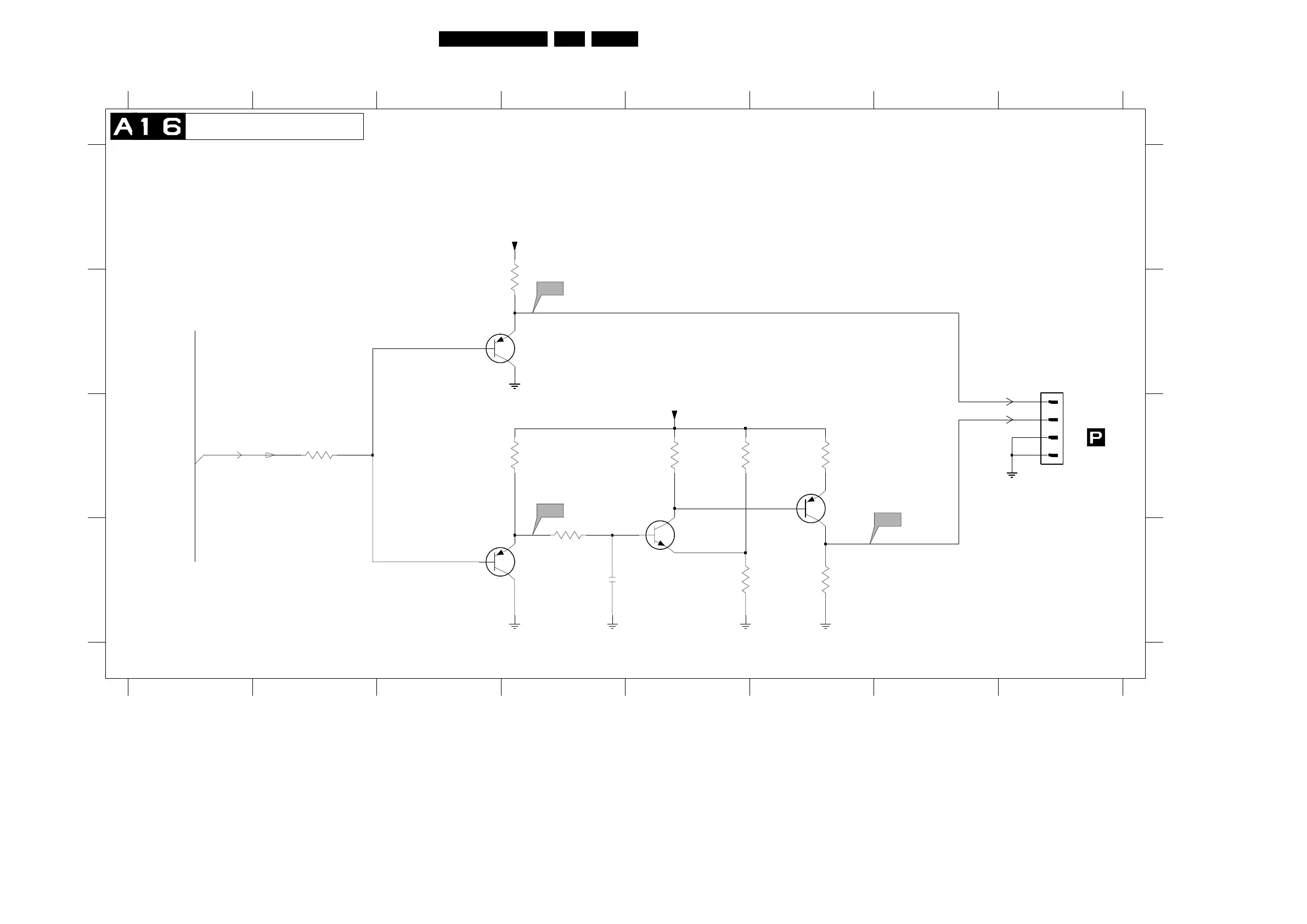
Schematics and PWBs
43L01.1A 7.
Large Signal Panel: PIP Interface
PIP INTERFACE
A16-17
TO 0236
OF
V22
A
B
C
D
A
B
C
D
0284 B8
2171 D4
3170 C2
3171 B4
3173 C4
3174 C5
3175 C5
3176 C6
3177 D4
3178 D5
3179 D6
7171 B4
7172 C6
7173 D5
7174 D4
V20
V21
12345678
12345678
0284
1
2
3
4
3179
2K2
2171
1n8
3178
3K9
3176
8K2
10K
3173
3175
8K2
3174
8K2
3177
8K2
7173
BC847B
7172
BC857B
7174
BC857B
10K
7171
BC857B
3170
68K
3171
HD
VlotAux+5V
VD
VlotAux+5V
SANDCASTLE
CL 16532053_064.eps
100701

Table of Contents

Related product manuals