EasyManua.ls Logo

Philips L01.1A - Large Signal Panel: Audio Amplifier

Philips L01.1A
88 pages
Print Icon
To Next Page IconTo Next Page
To Next Page IconTo Next Page
To Previous Page IconTo Previous Page
To Previous Page IconTo Previous Page
Loading...
Schematics and PWBs
37L01.1A 7.
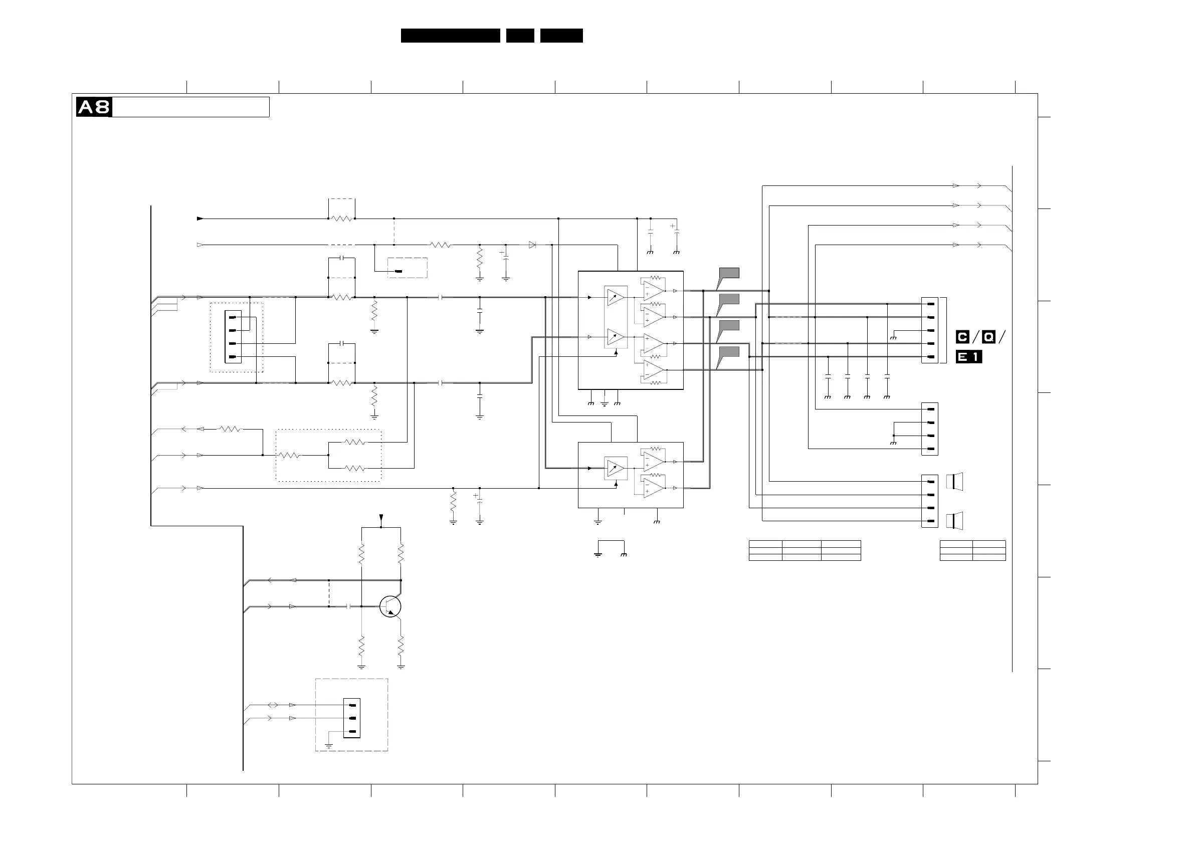
Large Signal Panel: Audio Amplifier
A4
A1
A2
A3
AUDIO_AMPLIFIER
RES
FOR COMPAIR ONLY
FOR ITV ONLY
TO 0254
OF
SPEAKERS
A8-45
A9-45
A11-45
A9-46
A11-46
A15-74
A7-6
A7-15
A8-45
A5-43
A7-14
A7-13
FOR ITV ONLY
A12-70
A12-71
A12-72
A12-73
TO
VOICE
CONTROL
FOR ITV ONLY
*
*
*
*
*
*
*
11V8
3V7
1V4
1V4
0V3
5V2
5V2
5V2
5V2
*
*
*
*
*
*
*
*
2 X 5W
2 X 3W
2 X 1W
16 Ohm
8 Ohm
8 Ohm
STEREO
MONO
7901
AN7522N
AN7523N
7902
A
B
C
D
E
F
G
0246 B9
0267 G3
0271 C2
0275 B4
0280 D9
0281 D9
2901 B6
2902 B7
2903 B5
2904 B4
2905 C5
2906 C4
2907 D5
2908 E5
2910 C3
2911 B3
2946 F4
2947 C8
12345678910
123456789
6901
BAS216
10n
2910
10
2948 C9
2949 C9
2950 C9
3172 D2
3901 B4
3902 B5
3903 B3
3904 C3
3905 C3
9903
3906 D3
3907 E4
3908 B3
3921 D3
3922 D3
3923 D3
3948 E4
3949 F4
3950 E4
3951 F4
4901 B2
4902 B3
4903 C2
4904 C3
4905 F2
4921 B4
6901 B5
7901 B6
7902 D6
7943 F4
9901 C8
9902 C8
9903 A3
9904 B3
CH1-
6 CH1-IN
12
CH2+
10
CH2-
8 CH2-IN
3
GNDCH1
11
GNDCH2
7
GNDINP
5
STB
1
VCC
9 VOL
AN7522N
7901
2
CH1+
4
4903
100p
2949
AudioSupplyGnd_FB
100p
2947
2948
100p
4905
100p
2950
2911
10n
6K8
3172
0281
1
2
3
4
3
4
0280
1
2
3
4
0275
0271
1
2
STB
5
VCC
1
VOL9
AudioSupplyGnd_FB
7902
AN7523N
CH1+
2
CH1-
4
CH1-IN6
GNDCH1
3
GNDINP
78
NC
390R
3951
680R
3950
BC847B
7943
100K
3948
33K
3949
1u
2946
0267
1
2
3
2R2
3908
9901
9902
0246
1
2
3
4
5
9904
3902
220K
4902
4904
4921
2901
220n
AudioSupplyGnd_FB
4901
330K
3923330K
3921
2904
1u
330K
3922
2906
1u
3n3
2907
2905
3n3
3905
15K
AudioSupplyGnd_FB
3903
15K
10u
2908
3K3
3907
AudioSupplyGnd_FB
10K
3904
10K
3906
10u
2903
56K
3901
470u
2902
AudioSupplyGnd_FB
SCL
MONO|AM_MONO_SOUND
+8V
Main_OutL
Tilt
AmpOutL_Neg
MainAux_FB
VlotAux+5V
Main_OutL
Main_OutR
Volume|Mute
AmpOutR+
Treble_Buzzer_Hosp-app
AmpOutL+
AmpOutR_Neg
AmpOutL_Pos
AmpOutL_Pos
AmpOutR_Pos
AmpOutR_Pos
SDA
CL 16532053_058.eps
100701

Table of Contents

Related product manuals