EasyManua.ls Logo

Philips L01.1A - Large Signal Panel: Video if + Sound if

Philips L01.1A
88 pages
Print Icon
To Next Page IconTo Next Page
To Next Page IconTo Next Page
To Previous Page IconTo Previous Page
To Previous Page IconTo Previous Page
Loading...
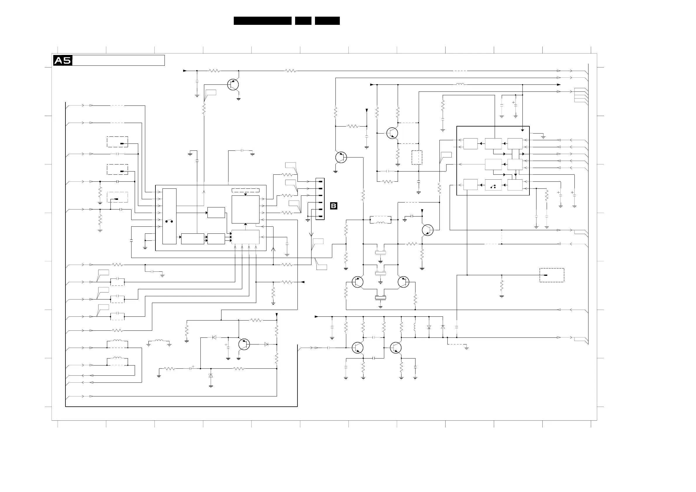
34L01.1A 7.
Schematics and PWB’s
Large Signal Panel: Video IF + Sound IF
AMPL
SOUND
AMPL. + AVL
IF
VISION IF
AGC/AFC
QSS SOUND
AGC
SOUND PLL
DEEMPHASIS
VIDEO
PLL DEMOD.
QSS MIXER AM
DEMODULTOR
AUDIO SWITCH
VIDEO
PAL/SECAM/NTSC
DECODER
VIDEO
FILTERS
VIDEO
IDENT
I/O
SWITCHING
OSD
Y
U
V
OSD/TEXT INSERT
BLUE STRETCH
WHITE-P. ADJ.
RGB/YUV INSERT
BLACK STRETCH
WHITE STRETCH
BASE-BAND
DELAY LINE
LUMA DELAY
PEAKING
5.5Mhz
6.0Mhz
4.5Mhz
VIDEO IF + SOUND IF
for M’nas only
FOR ITV ONLY
RES
FOR ITV ONLY
FOR ITV ONLY
FOR ITV ONLY
TDA95XX
A13-40
A13-41
A5-42
A9-42
A4-29
A4-28
A4-25
A4-26
A4-27
A8-43
A9-43
A5-42
A7-3
A7-44
A9-44
A10-42
A11-42
TDA95XX
A13-30
A12-31
A13-32
A13-33
A13-34
A13-35
A2-36
A10-37
A13-38
A13-39
A2-16
(LATAM / NAFTA / AP)
*
*
*
*
*
*
*
*
*
*
*
*
*
T0 0245
OF
CRT
PANEL
RES
RES
*
A4-24
3V7
3V7
1V5
3V3
3V3
3V8
2V3
2V9
5V
2V5
2V5
2V5
0V
2V5
2V5
2V5
2V5
5V6
3V5
3V2
2V6
3V5
2V5
7V8
5V
1V9
1V9
1V5
1V9
1V9
2V5
0V
1V7
3V5
2V9
2V
2V6
4V
2V5
3V1
8V1
0V
0V8
5V
0V7
1V4
2V9
3V3
1V2
A1-xx
A1-xx
A8-xx
A8-xx
0V
0V
2V9
3V6
0V
*
*
*
4211
11
A
B
C
D
E
F
G
A
B
C
D
E
F
G
0243 C6
0248 C2
1234567891011
1234
3215
560R
9618
56
4213
4212
78910
UDZS-TE17-6.2B
6206
0249 B2
0266 E11
0276 C2
1200 D7
1201 E7
1202 E7
2201 C2
2202 C2
2203 D2
2204 D5
2205 B3
2208 B8
2209 F4
2210 G3
2211 D8
2212 B7
2213 E2
2214 E2
2215 F2
2216 A10
2217 A10
2219 B4
2220 A3
2221 B2
2225 C7
2226 C8
2227 D11
2228 D10
2229 C11
2230 C11
2233 E2
2234 F6
2235 F9
2236 F7
2237 G8
2238 F6
2239 G6
2240 F7
3200 A8
3201 C5
3202 C5
3203 C5
3204 E5
3205 E5
3206 F5
3207 C8
3208 D8
3209 D8
3210 E6
3211 E8
3212 D6
3213 D6
3214 C7
3215 B7
3216 A6
3217 F5
3218 G4
3219 G3
3220 A3
3221 A4
3222 A5
3223 F2
3224 F3
3225 F5
3226 E5
3228 A7
3229 C7
3230 B7
3231 A7
3232 C11
3233 F7
3234 E10
3235 E2
3236 F7
3237 F8
3238 G7
3235
100R
3239 G8
3240 F6
3637 C1
3638 D1
4203 B8
4204 C8
4205 E2
4206 F2
4207 E2
4209 D9
4210 B8
4211 B8
4212 B2
4213 A2
4214 D10
7209
BFS20
4216 F9
5201 D7
0248
5202 A9
5203 F8
5204 F2
5205 F2
5206 F3
6201 F4
6202 F5
6203 F8
6204 F9
6206 G4
7200-A B9
7200-C C3
7201 D8
7202 E8
7203 E7
7204 F5
820p
2233
7205 A4
100n
2204
7206 B7
7208 B6
7209 F7
7210 F8
9200 D7
9618 A9
9653 F2
9673 G2
3638
75R 75R
3637
5206
9673
4216
5204
100MHZ
5205
9653
100MHZ
V10
BC857B
7208
V7
V1
V2
V3
V8
V9
V5
V6
4214
V4
4210
6201
BAS216
0276
3229
1K
1n
2K2
3233
1n
2239
2240
4209
1n
2238
1n
2235
BAS216
6204
BAS216
6203
5203
15u
3236
100K
3237
2K2
3240
2234
100n
220K
3239
330K
2237
1n
2236
BFS20
7210
3238
1K
1n
0249
1u
2210
4203
4204
BAS216
6202
4206
4207
4205
3205
1K
7202
BC857B
7201
BC847B
7203
BC857B
7204
BC857B
7205
BC857B
0266
3226
560R
2219
220n
1K
3223
22n
2221
390K
3228
680R
3231
22n
2225
2217
22n
5202
10u
2216
1m
4n7
2227
820p
2228
2K2
3232
3234
680R
BC847B
7206
3230
270R
2229
4u7
3n3
2226
4u7
2230
68R
2212
3216
3214
100R
470R
32133212
470R
3210
4K7
4K7
3211
1202
2
G
1
I
3
O
1201
G
2
I
1
O
3
1200
2
G
1
I
3
O
2u2
5201
9200
3209
100R
470n
2211
390R
3208
390R
3200
1K
3207
100n
2208
220n
2205
68R
3222
560R
3221
2220
100R
3220
2203
100n
100n
2202
100n
2201
3219
2K2
330K
3217
82K
3218
4u7
2209
3225
100K
3206
3224
100R
3203
1K
3204
100R
3202
1
2
3
R
G
B
4
5
6
100R
3201
0243
22n
2213
22n
2214
2215
22n
44
45
46
47
5051 52 53
54
55
56
57
58
8
35
36
38
39
48
49
7200-C
10
28
29
40
41
42
43
FM
AudioSupplyGnd
MainAux
MainAux_FB
AudioSupplyGnd_FB
7200-A
18
19
22
23
24
25
26
27
32
33
RF_AGC
VIF_1
VIF_2
SIF_1
SIF_2
G_Y-IN
B_U-IN
R_V-IN
+8V
EHTinfo
CVBS1-IN
SY_CVBS-IN
+8V
+8V
SEL-IF-LL_M-TRAP
+8V
V1-OUT
LFRONT-IN
L1-IN
MONO|AM_MONO_SOUND
+8V
QSS_AM_DEM_OUT
+8VA
C-IN
FBL-1
V_OUT
BLK-IN
+8V
QSS_AM_DEM_OUT
FMR
VlotAux+5V
CL 16532053_055.eps
100701

Table of Contents

Related product manuals