EasyManua.ls Logo

Pioneer PDP-507XA - Page 47

Pioneer PDP-507XA
212 pages
Print Icon
To Next Page IconTo Next Page
To Next Page IconTo Next Page
To Previous Page IconTo Previous Page
To Previous Page IconTo Previous Page
Loading...
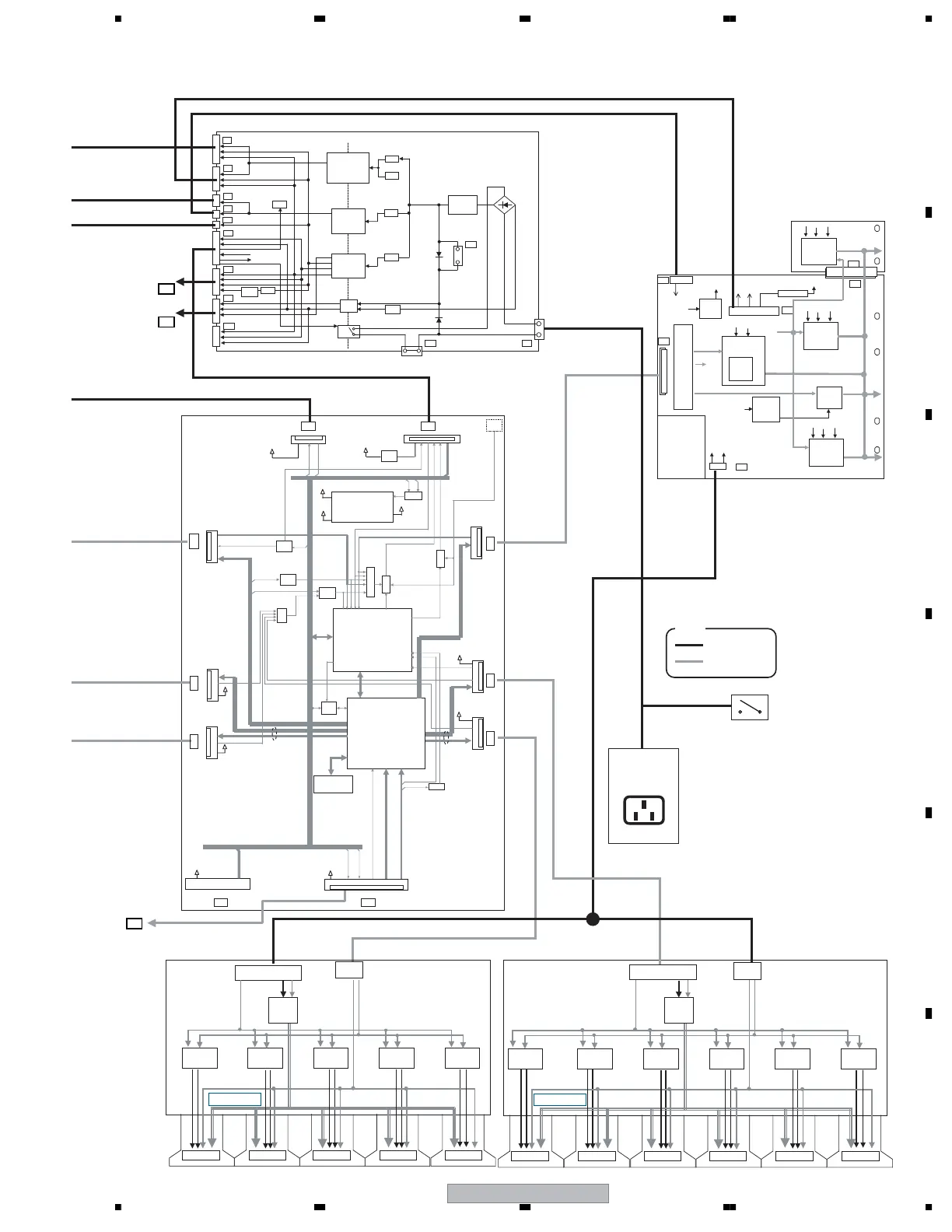
PDP-507XD
47
5678
56
7
8
C
D
F
A
B
E
M2
M3
50 DIGITAL ASSY
To
MAIN ASSY
Drive Signal
X 1
PSUS
50X MAIN DRIVE
PSUS
+16.5V
+5V
VSUS
+6.5V
X 2
+16.5 +5V
DK MOD.
(IC1104)
+16.5V
15V
DC/DC
CONV.
LOGIC
BLOCK
X 8
+60V
VF
+16.5V +5V VSUS
MASK
BLOCK
REGULATOR
X 3
+60V+5V
-RESET
BLOCK
+16.5V
VRN
DC/DC
CONV.
VRN
+16.5V +5V VSUS
MASK
BLOCK
X 6
X 7
+16.5V +5V VSUS
MASK
BLOCK
Drive Signal
Drive Signal
RESONANCE
BLOCK
PSUS
PSUS
50X SUB DRIVE
POWER SUPPLY UNIT
RC101
RL102
LIVE
NEUTRAL
PRIMARYSECONDARY
+35V
+60V
VSUS
T281
PFC Q203
Q204
PS_PD
RELAY
EXT_PD
+390V
D123
D121
T251
T301
T121
P3
P1
P2
P7
P6
P5
P8
+16.5V
+6.5V
VSUS_CONT
Z901
VSUS_ADJ
Q252
Q253
Switching
Switching
P4
+12V
L371
Switching
Q373
+5.1V
P9
Switching
Z121
P12
STB5.1V
STB3.3V
STB3.3V
+12V
+6.5V
P11
P10
+16.5V
STB3.3V
+16.5V
+12V
+6.5V
+16.5V
+6.5V
+35V
+16.5V
+12V
+6.5V
Switching
Z281
Switching
Q301
AC INLET
Note:
wire harness
FFC
DRIVER IC
IC1852
DRIVER IC
IC1853
DRIVER IC
IC1854
DRIVER IC
IC1855
DRIVER IC
IC1851
50 ADDRESS S ASSY
DRIVER IC
IC1652
DRIVER IC
IC1653
DRIVER IC
IC1654
DRIVER IC
IC1655
DRIVER IC
IC1651
DRIVER IC
IC1656
50 ADDRESS L ASSY
To
MAIN ASSY
To
MAIN ASSY
AN/P BN/P
CN/P DN/P
AN/P BN/P
CN/P DN/P
CLK / LE / HBLK / LBLK
R/G/B
CLK / LE / HBLK / LBLK
R/G/B
RESONANCE
BLOCK
RESONANCE
BLOCK
RESONANCE
BLOCK
RESONANCE
BLOCK
RESONANCE
BLOCK
RESONANCE
BLOCK
RESONANCE
BLOCK
RESONANCE
BLOCK
RESONANCE
BLOCK
RESONANCE
BLOCK
RESONANCE
BLOCK
VADR1VADR2VADR3VADR4VADR5
AD2
CN1801
AD1
CN1802
V+60V
V+8V
V+5V
IC1801
LVDS
Recieve
V+3V
VDDLS1VDDLS2VDDLS3VDDLS4VDDLS5 VADR1VADR2VADR3VADR4VADR5
AD2
CN1601
AD1
CN1602
V+60V
V+8V
V+5V
IC1601
LVDS
Recieve
V+3V
VDDLS1VDDLS2VDDLS3VDDLS4VDDLS5VADR6VDDLS6
AC SW
DC-DC CONVERTER
MODULE
AXY1137-
V+8V
D11
D19
D20
D18
+12V
V+1V_D
V+3V_D
FlashMemory
IC3301
SUB-FILD CONV.
&
XY DRV SEQUENCE
PATTERN GEN.
IC3401
MODULE UCOM
M30620FCPGP
IC3151
OR
MASK
D17
D16 D15
LVDS
ADRPD1
VH_UV_PD, YDRIVE_PD
YRESNC_PD,
YDD_CHV_PD
XSUSTN_PD, XDD_CNV_PD,
RV
PS_PWDN
PD_MUTE
Ext_P
Vsus_AD
RELAY, PD_TRG_B,
XSUS
SCAN
YSUS
RA, GA, BA
LED_R
LED_B
MSEL
YOBI
D11
TEMP1
PEG239A-K
PSIZE
LVDS
D12
DAC
V+8V
SCL,
SDA
V+8V
V+8V
V+8V
D24
Theater
Pulse
Width
SQ_SD
UART
SW
Vofs_ADJ,
H DET
VD
HD
REG.
+12V
V+3V_D
V+3VACTV
HD, VD, DCLK, DE
UART
V+3V_EEP
YPR-U
STOP_SQ
DRF_
AND
AND
AND
DRF_
SCL,SDA
RELAY
INP_MUTE
OR
DRF
M1

Table of Contents

Related product manuals