EasyManua.ls Logo

Printronix P9212 - Page 40

Printronix P9212
298 pages
Print Icon
To Next Page IconTo Next Page
To Next Page IconTo Next Page
To Previous Page IconTo Previous Page
To Previous Page IconTo Previous Page
Loading...
214
Principles of Operation
MPU
Shuttle
& Ribbon
Control
POWER SUPPLY
BOARD
LMI &
PROCESSOR
MECHANISM
DRIVER
BOARD
+5 Vdc
AC
POWER
PRINTER
INTERFACE
FILTER
EMI
Fault
Hammer
Driver Data
Hammer
T
iming Data
Paper
Control
DPU
RTPU
SHARED
MEMORY
ON / OFF
Switch
AUTORANGING
CABINET
FAN
CARD CAGE
FAN
BLOWER
ASSEMBLY
Fan Control
HOST
Shuttle
Timing
PAPER
MOTION
PAPER
OUT
PLATEN
OPEN
Sensors
FAULT CIRCUITS
PAPER TRANSPORT
SHUTTLE DRIVE
RIBBON DRIVE
P/S CIRCUITS
DRIVE
HAMMER
BANK
Circuit Brkr
CONTROL
P
ANEL
HD CIRCUITS
POWER
SUPPLY
FAN
COMPUTER
RIBBON
TRANSPORT
PAPER
TRANSPORT
Paper Feed
Motor Control
Platen Open
Motor Control
Ribbon Status
Ribbon Control
HAMMER
DRIVER
BOARD
+12.5Vdc
+48 Vdc
SHUTTLE
ASSEMBLY
+48 Vdc
+12.5Vdc
Control
Hmrs
140
Hmrs
4188
+48 Vdc
Crowbar
HD 140
12V / 48V FILTER
BLR DRIVE
Hmrs
188
BLR
Control
PRINT
MECHANISMS
Shuttle Drive
BACKPLANE
FEATURE
Data
BOARDS
FLOPPY DISKETTE
DISK
CONTROLLER
Key
+5Vdc
Message
Indicator
Data
Status
+5 Vdc
OS & Fonts
Operating System & Fonts
DRIVE ASSEMBLY
Status
Data
+5 Vdc
+5 Vdc
Fault
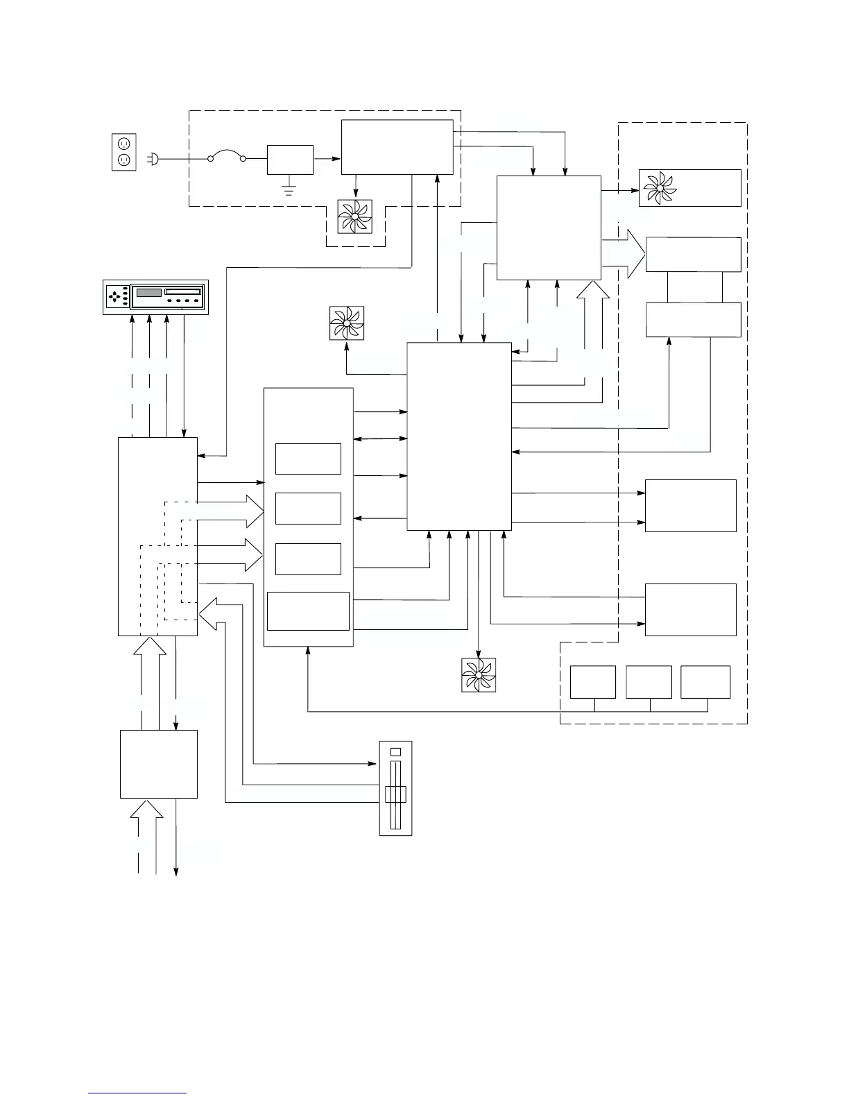
Figure 210. Functional Elements of the Printer with LMI

Table of Contents

Related product manuals