EasyManua.ls Logo

Raddy RF919 - 20 Use of antennas

Default Icon
63 pages
Print Icon
To Next Page IconTo Next Page
To Next Page IconTo Next Page
To Previous Page IconTo Previous Page
To Previous Page IconTo Previous Page
Loading...
Extended Manual for RF919 v2.1
© 2024 page 55 of 63
20 Use of antennas
When listening to SW, CB, FM, AIR, VHF, WB or UHF, pull out the extendable rod
antenna of the RF919 and align its length for best reception. Try
different directions and find a position with the best receiving effect.
Tip: Shorten the extendable rod antenna if the received signal is distorted by very
strong radio interference, resulting in crosstalk.
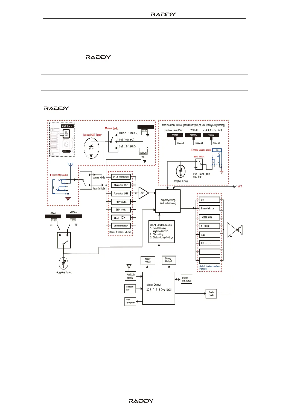
The below block diagram is intended as a reference to the building blocks of the
RF919 as seen from a technical point of view.

Table of Contents

Related product manuals