EasyManua.ls Logo

Regency 4720 - 7381 Connecting the Model 4140 to the Model 7381 Front Door Intercom Station; Wiring Table; Connecting the Model 7381 to the Model 4140

Regency 4720
100 pages
Print Icon
To Next Page IconTo Next Page
To Next Page IconTo Next Page
To Previous Page IconTo Previous Page
To Previous Page IconTo Previous Page
Loading...
52
Regency
®
Model 4720 Control/Communicator Installation Manual (P/N 150476, Rev. A) Revised 10/98
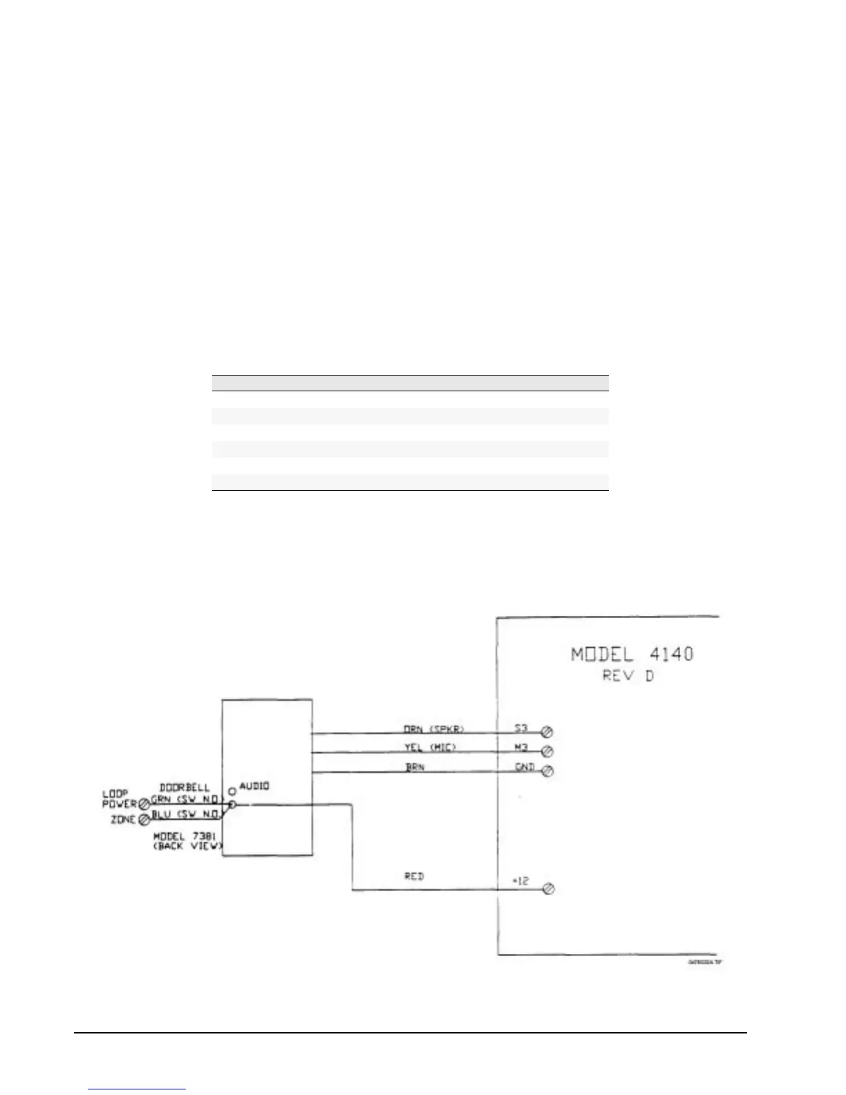
14.1.4 7381 Connecting the Model 4140 to the Model 7381 Front Door Intercom Station
The Model 7381 is an outdoor intercom station intended for use with the Model 4720/4140 Control/
Communicator with Intercom.
The Model 7381 contains a microphone with amplifier, a 20-ohm speaker, a light used by visitors to
locate the unit and a normally open push-button switch.
The switch can be used to ring an existing doorbell/chime or wired to the control/intercom to
produce a door chime tone.
Note: While the Model 7381 is intended for outdoor use, it is NOT weatherproof and should not be
exposed directly to rain and/or snow. The 7381 operates in a temperature range of 0°C - 70°C (32°F
- 125°F).
Use 24-gauge grounded 3-wire shielded cable (three insulated wires, one bare wire and a foil wrap).
Wire run must not exceed 200 feet.
The contacts at the normally open switch are rated at 1 A, 24 V
AC
.
* Note: If you are using the doorbell option with the Model 4720/4140, connect the blue wire to the input of
the zone that has been programmed as the doorbell zone. Connect the green wire to its
corresponding output. Program this zone as NORMALLY OPEN, 24-HOUR, NOT SUPERVISED,
and DOORBELL TYPE.
Figure 14.1.4b: Connecting the Model 7381 to the Model 4140
Table 14.1.4a: Wiring Table
7381 Wire Color Model 4720 Model 4140
Brown NC TERM (GND)
Red TERM 5 NC
Orange NC TERM S1
Yellow NC TERM M1
Green 4720 zone output*
Blue 4720 zone input*

Table of Contents