EasyManua.ls Logo

RIDGID 1224 - Schéma Electrique

RIDGID 1224
87 pages
Print Icon
To Next Page IconTo Next Page
To Next Page IconTo Next Page
To Previous Page IconTo Previous Page
To Previous Page IconTo Previous Page
Loading...
Schéma électrique des interrupteurs
1224 et 1822-I
BLUE
BLK
BLK (1)
BROWN
Fileteuse N° 1224
Ridge Tool Company54
Schéma électrique des interrupteurs de
rechange 1224 et 1822-I
1822-IC
seul
240V
60Hz
10A
Ancien inter. 1224 à
raccord rapide
Bleu ................10
Marron............12
Jaune................2
Rouge ............11
Noir ..................1
Blanc ................8
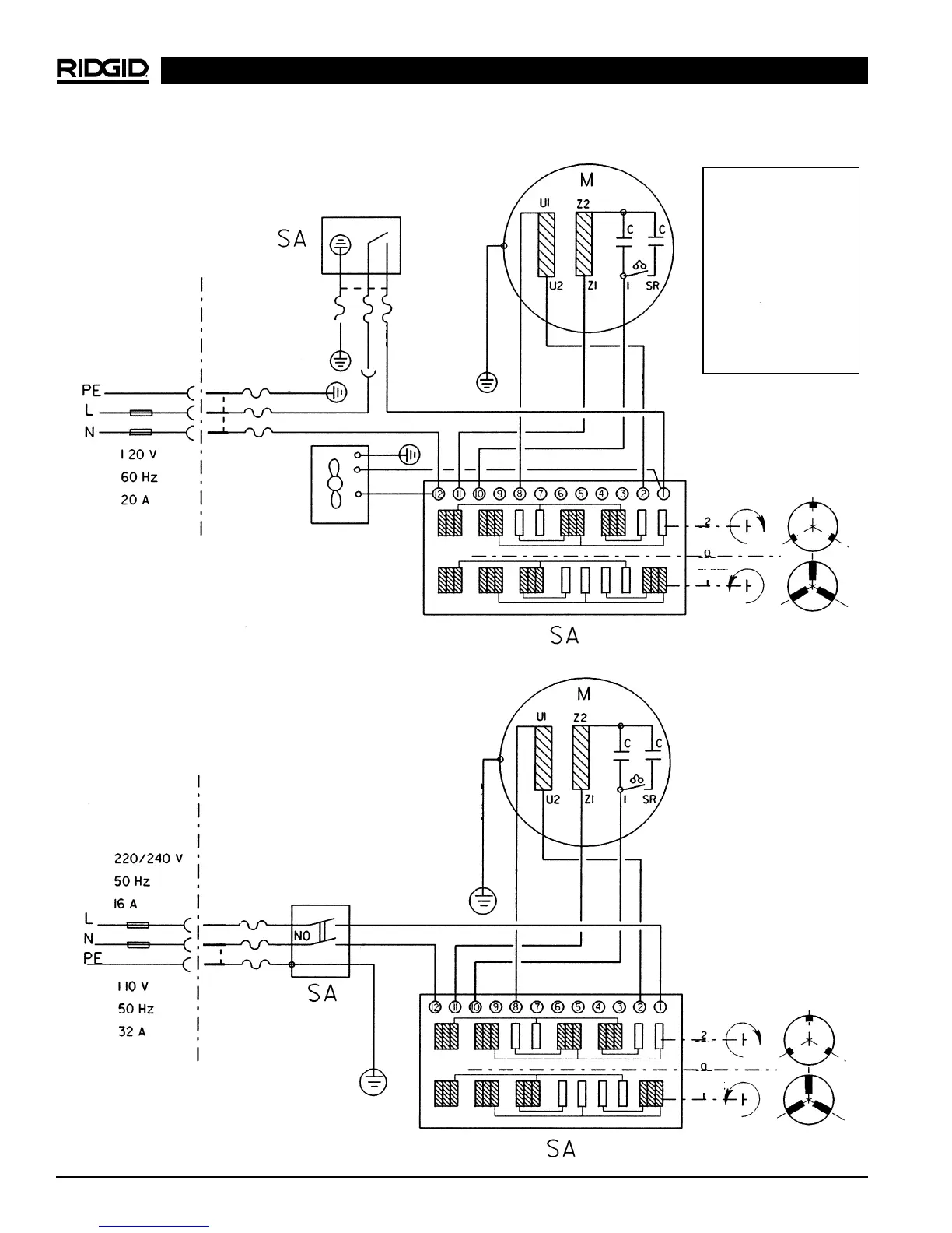
Schémas Electriques
Vert
Vert
Blanc
Noir
Blanc
Blanc
Vert
Noir
Noir
Noir
Noir
Rouge
Orange
OUVERT
VENT
ARRET
M/AR
ARRET
FERME
M/AV
OUVERT
ARRET
M/AR
ARRET
FERME
M/AV
Bleu
Vert/Jaune
Marron
Bleu
Bleu
Marron
Marron
Vert/Jaune

Table of Contents

Other manuals for RIDGID 1224

Related product manuals