EasyManua.ls Logo

Rockwell Automation Allen-Bradley Kinetix 300

Rockwell Automation Allen-Bradley Kinetix 300
75 pages
To Next Page IconTo Next Page
To Next Page IconTo Next Page
To Previous Page IconTo Previous Page
To Previous Page IconTo Previous Page
Loading...
52 Rockwell Automation Publication 2198-RM004C-EN-P - March 2022
Chapter 4 Dimensions, Cables, and Wiring
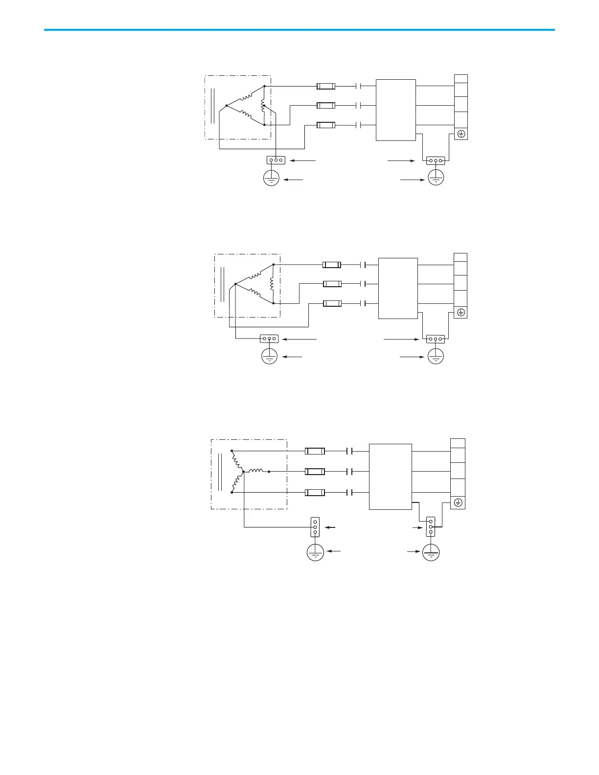
Figure 24 - Kinetix 300 Drives Three-phase (240V) Power Configuration (Delta secondary)
Figure 25 - Kinetix 300 Drives Three-phase (240V) Power Configuration (Delta secondary)
Figure 26 - Kinetix 300 Drives Three-phase (400V) Power Configuration (Wye secondary)
L3
L2
L1
IPD
L3
L2
L1
E
L3
L2
L1
L3
L2
L1
2097-V33PRx
Transformer (Delta) Secondary
Kinetix 300 Drives
Three-phase AC Input
AC Line
(1)
Filter
Bonded Cabinet Ground Bus
Ground Grid or Power Distribution
Ground
M1
Contactor
Input
Fusing
Feeder and branch short-circuit
protection is not illustrated.
(1) Leakage current from the line filter, in this configuration, typically is higher than a balanced (center ground) configuration.
L3
L2
L1
IPD
L3
L2
L1
E
L3
L2
L1
L3
L2
L1
2097-V33PRx
Transformer (Delta) Secondary
Kinetix 300 Drives
Three-phase AC Input
AC Line
(1)
Filter
Bonded Cabinet Ground Bus
Ground Grid or Power Distribution
Ground
M1
Contactor
Input
Fusing
Feeder and branch short-circuit
protection is not illustrated.
(1) Leakage current from the line filter, in this configuration, typically is higher than a balanced (center ground) configuration.
L3
L2
L1
IPD
L3
L2
L1
E
L3
L2
L1
L3
L2
L1
2097-V34PRx
Transformer (Delta) Secondary
Kinetix 300 Drives
Three-phase AC Input
AC Line
(1)
Filter
Bonded Cabinet Ground Bus
Ground Grid or Power Distribution
Ground
M1
Contactor
Input
Fusing
Feeder and branch short-circuit
protection is not illustrated.
(1) Leakage current from the line filter, in this configuration, typically is higher than a balanced (center ground) configuration.

Table of Contents

Related product manuals