EasyManua.ls Logo

Rosemount Oxymitter 5000 - Electronic Assembly Replacement; Terminal Block Replacement

Rosemount Oxymitter 5000
214 pages
Print Icon
To Next Page IconTo Next Page
To Next Page IconTo Next Page
To Previous Page IconTo Previous Page
To Previous Page IconTo Previous Page
Loading...
Hazardous Area Oxymitter 5000
9-10
Instruction Manual
IM-106-350C, Rev 2.2
July 2008
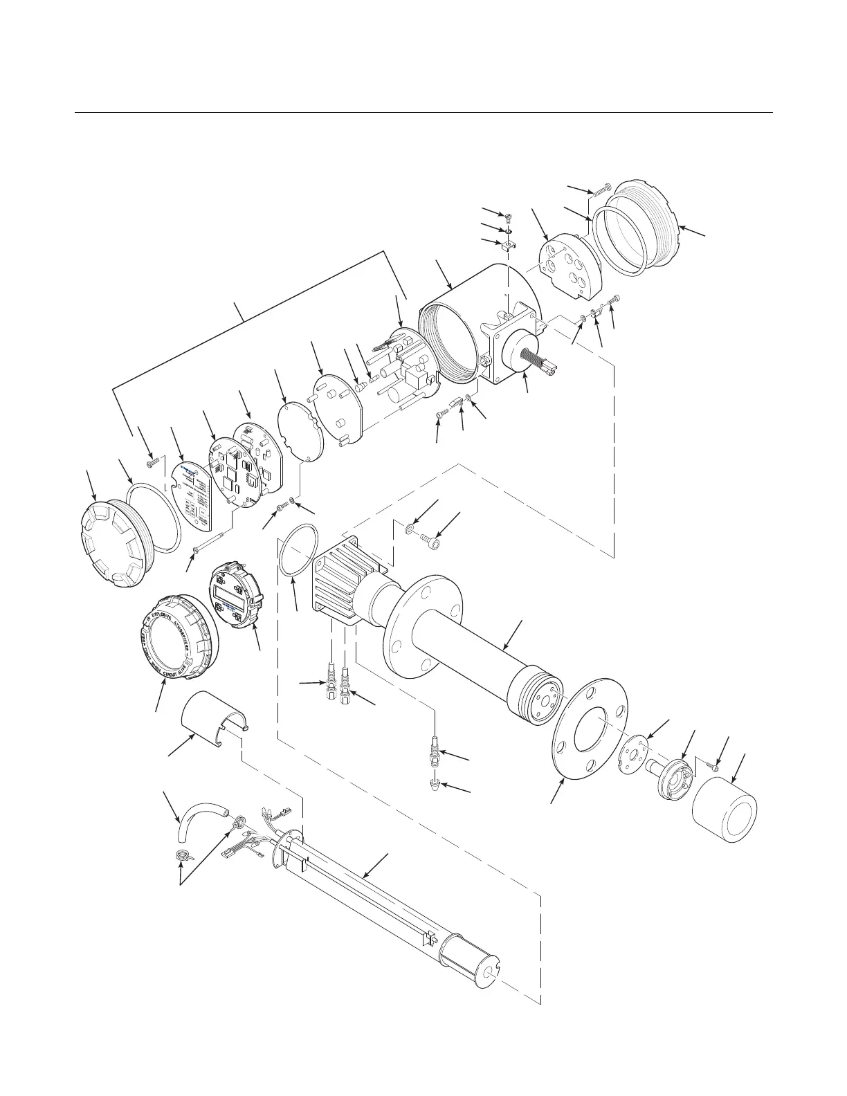
Figure 9-3. Hazardous Area Oxymitter 5000 with Integral Electronics - Exploded View
38740060
39
23
38
2
Note: Notallpartsshown.
30
29
29
29
36
25
24
26
27
28
37
22
21
1A
Note: TheElectronic Assembly,item2,
consistsofitems3through10,
anditems31-34.
17A
1. BlindCover
1A. WindowCover
2. Electronic Assembly
3. Screw
4. MembraneKeypad
4A. LOIModule
5. MicroprocessorBoard
6. AnalogBoard
7. FuseCap
8. Fuse
9. PowerSupplyBoard
10. CaptiveScrew
11. Housing
12. Screw
13. LockWasher
14. CableClamp
15. TerminalBlock
16. CaptiveScrew
17. BlindCover
17A. O-Ring
18. Screw
19. CoverLock
20. CaptiveWasher
21. Washer
22. Screw
23. Probe Tube Assembly
24. Gasket
25. CorrugatedSeal
26. CellandFlange
Assembly
27. RetainerScrew
28. Flame Arresterwith
SnubberDiffuser
29. Flame
ArrestorFitting
30. Cap
31.Screw
32.Washer
33.FieldbusOutputBoard
34.FieldbusIsolatorBaord
35. O-Ring
36. HeaterStrut Assembly
37. TubeClamp
38. Silicon Tube
39. StrutPressureClamp
35
9
7
8
18
18
20
20
19
19
11
12
13
14
15
16
Integral
Electrical
Barrier/
Feedthrough
17
4A
17A
10
3
4
6
1
5
33
34
32
31

Table of Contents

Related product manuals