EasyManua.ls Logo

Rosemount Oxymitter 5000 - Page 36

Rosemount Oxymitter 5000
214 pages
Print Icon
To Next Page IconTo Next Page
To Next Page IconTo Next Page
To Previous Page IconTo Previous Page
To Previous Page IconTo Previous Page
Loading...
Hazardous Area Oxymitter 5000
2-4
Instruction Manual
IM-106-350C, Rev 2.2
July 2008
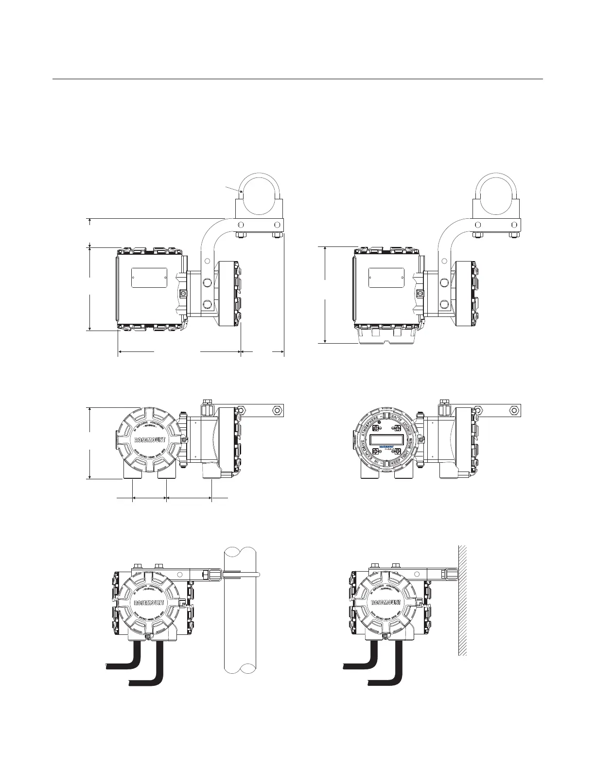
Figure 2-2. Hazardous Area
Oxymitter 5000 Remote
Electronics Installation
( )
56.0
2.21
( )
164.6
6.48
246.9 9.72( )
84.6
3.33( )
62.0
(2.44)
DIA.
189.8
7.47( )
140.2
5.52( )
66.5
2.62( )
93.5(3.68)
PipeMount
Configuration
REMOTEELECTRONICS
WITHLOI ANDWINDOWCOVER
REMOTEELECTRONICS
WITHMEMBRANEKEYPAD ANDBLINDCOVER
38740029
WallMount
Configuration
Note: Alldimensionsarein
millimeterswithinchesin
parentheses.

Table of Contents

Related product manuals