EasyManua.ls Logo

Rosemount Oxymitter 5000 - Pneumatic Installation

Rosemount Oxymitter 5000
214 pages
Print Icon
To Next Page IconTo Next Page
To Next Page IconTo Next Page
To Previous Page IconTo Previous Page
To Previous Page IconTo Previous Page
Loading...
Instruction Manual
IM-106-350C, Rev 2.2
July 2008
2-15
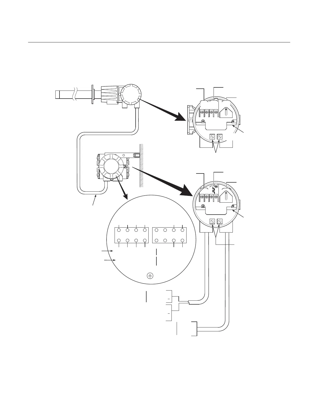
Hazardous Area Oxymitter 5000
Figure 2-10. Electrical
Installation - Hazardous Area
Oxymitter 5000 with Remote
Electronics
OxygenSignal
+
+
-
-
38740009
ACL1
ACN
+
+
-
-
1 2
3
4
GRN
ORN
YEL
RED
BLK
BLK
ORN
RED
BLK
HTR
T/C
O
CELL
2
WIRINGDIAGRAM
TOELECTRONICS
FROMPROBE
WHT
BRN
GRN
RED
BRN
BLU
PROBE
REMOTE
ELECTRONICS
5 6
7
8
(WHT)
(RED)
(BLU)
(HAZ.)
(BRN)
(GRN)
(BRN)
BLU
YEL
WHT
GRN/YEL
orGRN
G.P.
TypeK
Thermocouple
Signal
Terminal
Block
Ground
Lugs
HeaterPower
(BelowCover)
Calibration
Handshake/
LogicI/O
LineVoltage
FieldbusDigital
Signal
Terminal
Block
GroundLugs
Interconnecting
Cable
ToIMPS4000ifused.
RefertoIMPS4000
InstructionManual.
LogicI/O+
LogicI/O
+
Line1
Neutral
Ground
90-250VAC,50-60Hz
LineVoltageInput
FieldbusDigitalSignal
Ground
Note: Interconnectingcableis
wiredtotheprobeatthe
factory. Terminal
connectionsshownfor
referenceonly.
GeneralPurpose
Oxymitter
Hazardous Area
Oxymitter
FieldbusDigitalSignal

Table of Contents

Related product manuals