EasyManua.ls Logo

Saab R5 - Serial Port Output Capacity and Input Load; Serial Transceiver Schematics; R5 Signal Cable (DSUB-Open) Pinout

Saab R5
87 pages
Print Icon
To Next Page IconTo Next Page
To Next Page IconTo Next Page
To Previous Page IconTo Previous Page
To Previous Page IconTo Previous Page
Loading...
R5 SOLID AIS System
INSTALLATION
7000 118-200, C2 Page 22
(See note 2)
7
(Lowest priority)
RS-232
38400 bps
Input / Output
(See note 2)
Table 7 Port Priorities and Default Baud Rates
NOTE 1: This means that if valid position data from external position sources are input on
both Sensor 1 and ECDIS port, the position data from Sensor 1 will be used.
NOTE 2: Output will be limited if baud rate is below 38400 bps. VDM and VDO messages will
not be output.
3.7.1 Output Drive Capacity for Serial Ports
Each serial port transmitter in the R5 SOLID can have a maximum of 25 listeners
consuming 2.0 mA each.
3.7.2 Input Load
Input impedance for each listener input is 6.4 kΩ.
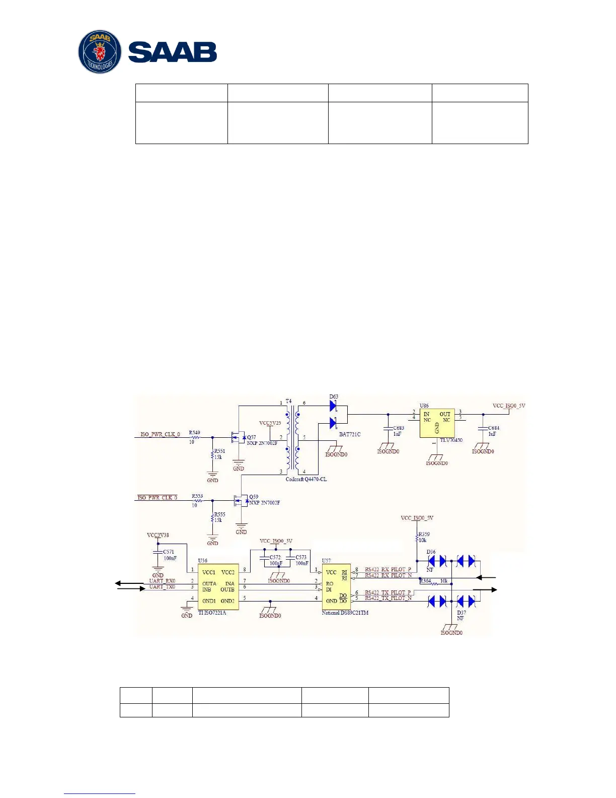
3.7.3 Schematics of a R5 SOLID Serial Transceiver
Each of the RS422 serial interfaces on the R5 SOLID fulfils the requirements of IEC
61162-2 and IEC 61993-2. A detailed schematic of one of the serial ports in the R5
SOLID is shown below.
Figure 9 Serial Port Schematics
3.7.4 R5 Signal Cable, DSUB-Open, 7000 118-078, B
Pin
In/Out
Signal Name
Signal Type
Colour
1
Out
ECDIS - TxB (+)
RS422
White
ISO Power
Internal
Signals to R5
Solid
To connected
equipment

Table of Contents

Other manuals for Saab R5

Related product manuals