EasyManua.ls Logo

Sakai TW352 - Page 46

Default Icon
176 pages
Print Icon
To Next Page IconTo Next Page
To Next Page IconTo Next Page
To Previous Page IconTo Previous Page
To Previous Page IconTo Previous Page
Loading...
2-032
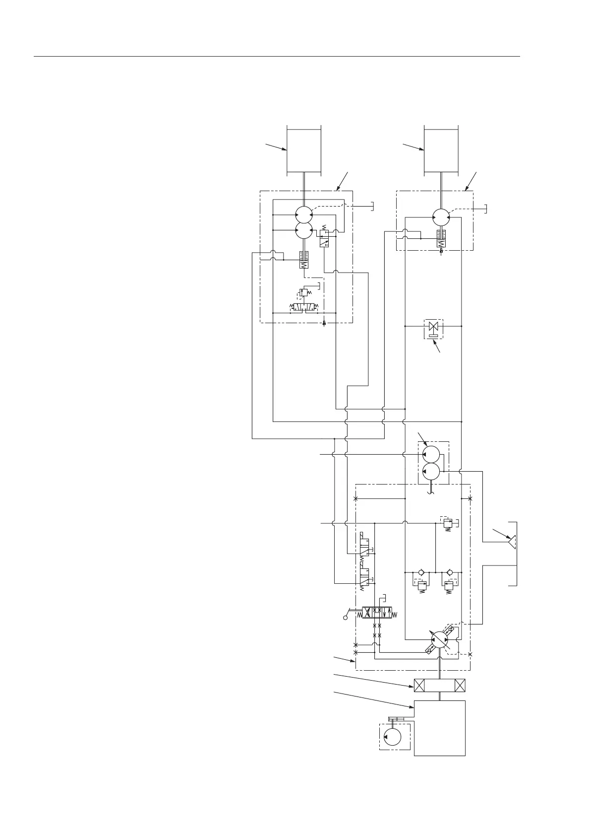
Description and Operation of Hydraulic System
TW5022031
X
X
1
2
3
a
b
e
cc
10
4
5
A
h
h
j
i
8
6
9
7
k
k
g
B
AB
d
AB
f
Operation
It is assumed that the machine is
propelled forward.
The spring-applied hydraulically released
brake (negative brake) is supposed to
remain released.
Assemblies such as pump assembly and motor
assembly are indicated by numbers such as (1)
and (2), while component parts of assemblies
are shown by small letters like (a) and (b).
SW352, SW502
The front and rear motors connect together
in parallel in their hydraulic circuit.
Moving the forward-reverse (F-R) lever
forward makes control valve (a) work to
allow servo piston (b) to tilt the pump
swashplate in the forward travel direction.
Propulsion pump (3) feeds oil from its port A
(forward travel circuit) into the forward travel
line, then the flow branches into two lines;
one line connecting to forward travel port B
of front motor (6), and the other line leading
to forward travel port A of rear motor (8).
The oil fed to the forward travel port of
motors drives the motors, flowing out from
the opposite side ports and joins again to
flow into inlet port B of propulsion pump (3).
At the same time, part of oil in the circuit
connecting to port A of front motor (6)
passes through flushing valve (i), opens low
pressure relief valve (j), and is drained into
the tank through the motor casing. Flushing
valve (i) makes part of oil in the circuit return
to the tank to remove foreign material
present in hydrauic oil, and also to cool oil.
Because front motor (6) and rear motor (8)
are of a cam type, they have a characteristic
of reducing speed, directly driving front drum
(7) and rear drum (9).
Because the propulsion circuit is a closed
loop circuit, the suction port and exhaust
port exchange their role each other when
the travel dirction is reversed. (The direction
of oil flow is reversed.)
Releasing of spring-applied hydraulically
released brake (negative brake)
When energized, brake release solenoid
valve (e) feeds oil from the charge circuit
into the brake release ports of front motor
(6) and rear motor (8).
Oil then flows into the cylinder built in brake
unit (h). The piston inside the cylinder
moves in the direction to release the brake
against the compression spring load.

Table of Contents

Related product manuals