EasyManua.ls Logo

Sakai TW352 - Page 47

Default Icon
176 pages
Print Icon
To Next Page IconTo Next Page
To Next Page IconTo Next Page
To Previous Page IconTo Previous Page
To Previous Page IconTo Previous Page
Loading...
2-033
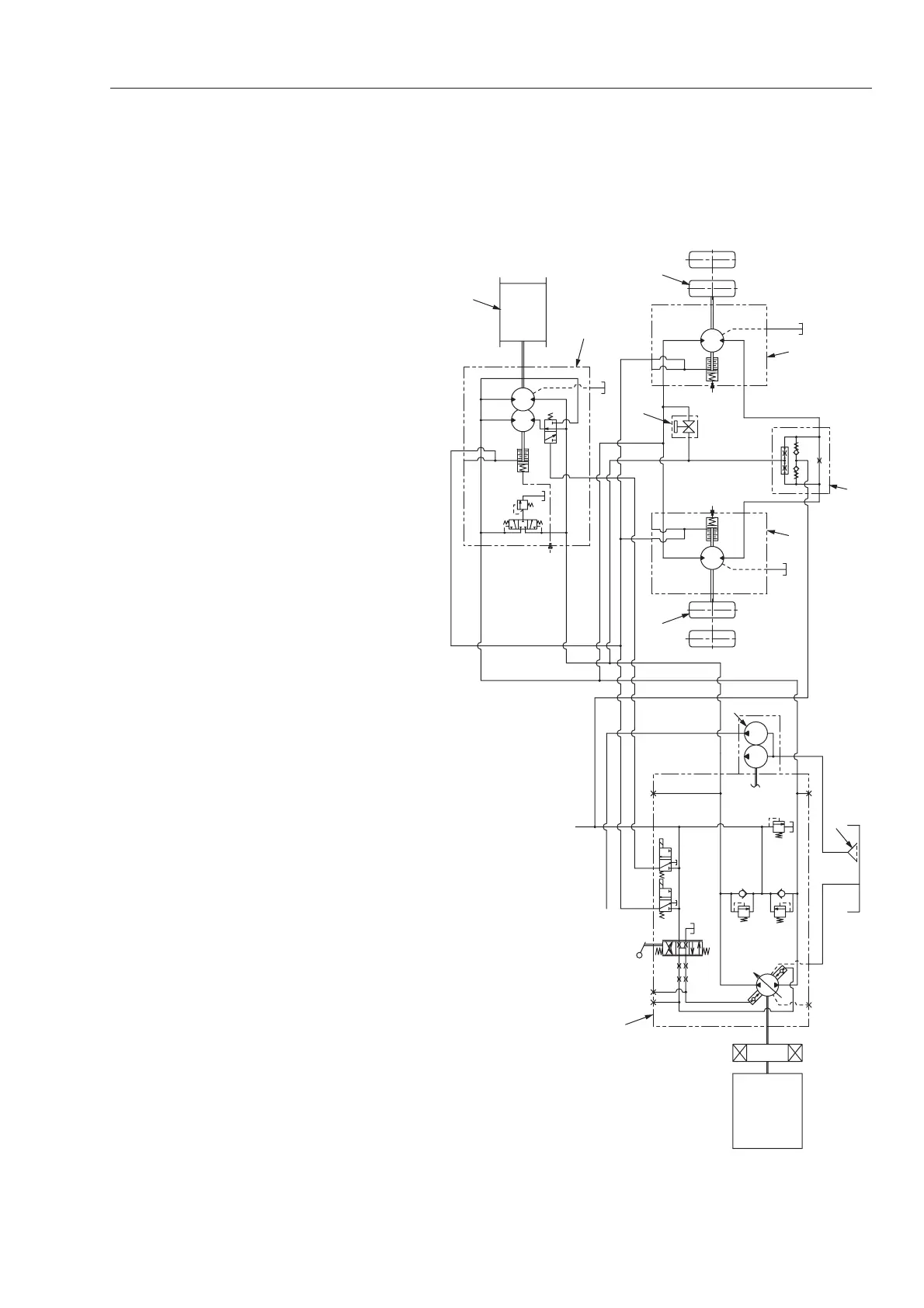
Description and Operation of Hydraulic System
3
TW5022032
6
5
14
X
X
X
a
e
f
b
cc
d
AB
15
4
8
7
9
10
A
i
k
h
j
g
B
B
AB
A
13
k
k
h
h
TW352, TW502
The propulsion system is a combination
of a propulsion pump and three
propulsion motors (cam motors). The
front and rear motors connect with each
other in parallel in their hydraulic circuit.
Moving the forward-reverse lever
forward makes servo piston (b) of
control valve (a) function to tilt the pump
swashplate in the forward drive
direction.
By this operation, propulsion pump (3)
feeds oil from its port A into the forward
drive line, then the flow branches into
three lines; one line connecting to
forward drive port B of front motor (5),
the other line leading to forward drive
port B of rear motor (L.H.) (7) and
another line going to forward drive port
A of rear motor (R.H.) (9).
Because front motor (5), left-hand rear
motor (7) and right-hand rear motor (9)
are cam motors, they have a speed
reducing characteristic, directly driving
front drum (6), left-hand rear wheels (8)
and right-hand rear wheels (10).
Because the propulsion circuit is a
closed loop circuit, the suction port and
exhaust port exchange their role when
the travel dirction is reversed. (The
direction of oil flow is reversed.)
Releasing of spring-applied hydraulically
released brake
When energized, brake release
solenoid valve (e) feeds oil from the
charge circuit into the brake release
ports of front motor (5), left-hand rear
motor (7) and right-hand rear motor (9).
Oil then flows into the cylinder built in
brake unit (h). The piston inside the
cylinder releases the brake against the
compression spring force.

Table of Contents

Related product manuals