EasyManua.ls Logo

Sanyo Denki PY2A030 - Velocity Control

Sanyo Denki PY2A030
138 pages
Print Icon
To Next Page IconTo Next Page
To Next Page IconTo Next Page
To Previous Page IconTo Previous Page
To Previous Page IconTo Previous Page
Loading...
PY Manual Copyright © 2006 SANYO DENKI AMERICA, Inc.
78
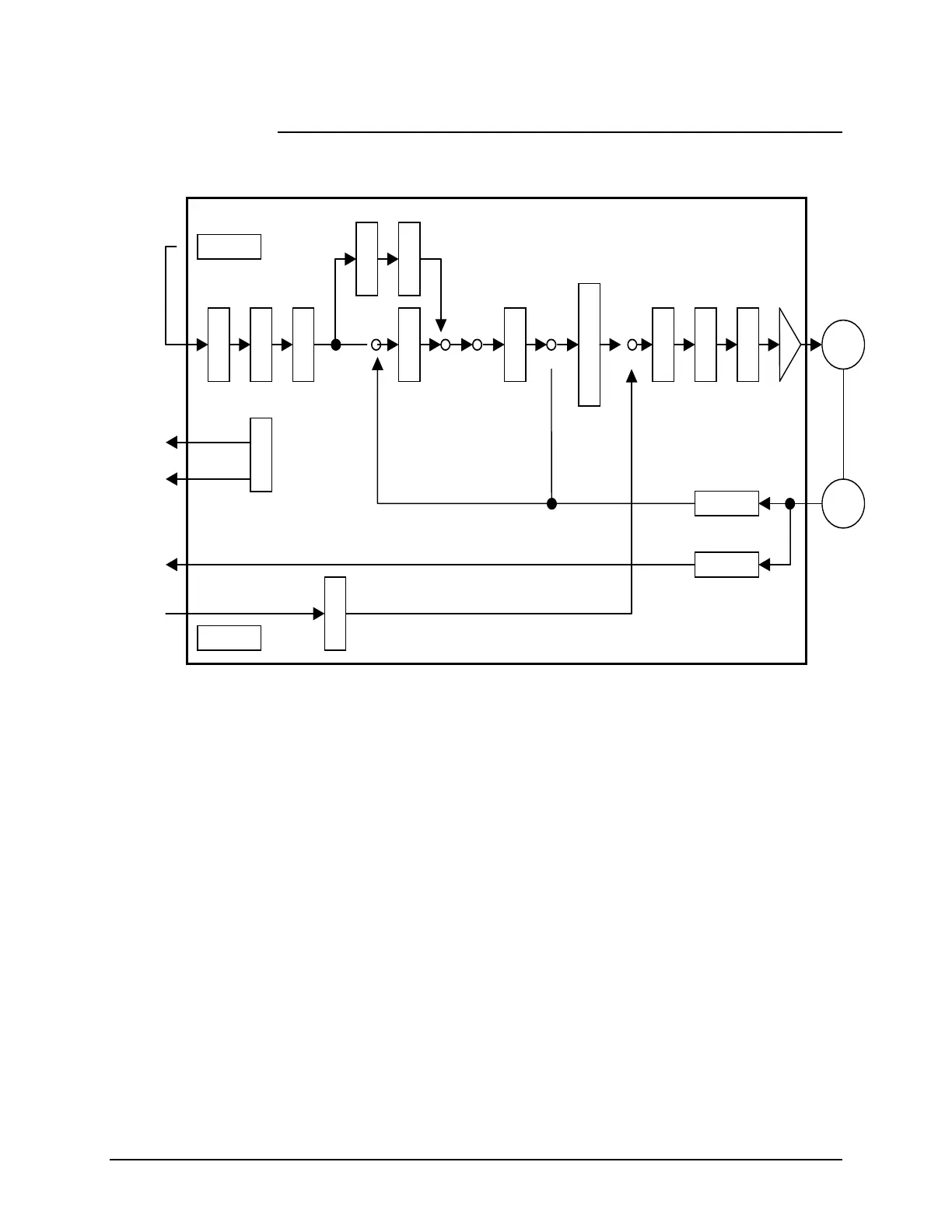
Position Loop Parameter Block Diagram
Notes:
Each low pass or notch filter is disabled when set to 1000 Hz.
Position Control
Output Pulse
Divisio
n
4 Multiplier
Mode 2-0
Pulse Trai
n
Feed Forwad
Low Pass Filter
Position CMD
Electronic Gear
Gain
Feed Forwad Position Loo
p
Low Pass Filter Gain
Velocit
y
CMD
Low Pass Filter
Velocit
y
Loo
p
Pro
p
ortional
Gain Inte
g
ral Time Constant
Current CMD
Low Pass Filte
r
Current CMD
Notch Filter #1
Current CMD
Notch Filter #2
Current
Monitor Out
p
ut
Selection
Tor
q
ue CMD
Scale
Mode 1-2 Mode 0-9
Mode 0-1 Mode 0-4
Mode 0-0
Mode 0-5
Mode 0-3
Mode 0-2
Mode 0-6 Mode 0-7 Mode 0-8
Mot o
r
Mode 4-0
Mode 4-1
Mode 1-15
Mode 1-4
Encod
e
r
Torque CMD
Volta
g
e
A
,
B
MON2
MON1
Position CMD
Pulse
Artisan Technology Group - Quality Instrumentation ... Guaranteed | (888) 88-SOURCE | www.artisantg.com

Table of Contents

Related product manuals