EasyManua.ls Logo

Sanyo Denki PY2A030 - Current Limiting

Sanyo Denki PY2A030
138 pages
Print Icon
To Next Page IconTo Next Page
To Next Page IconTo Next Page
To Previous Page IconTo Previous Page
To Previous Page IconTo Previous Page
Loading...
PY Manual Copyright © 2006 SANYO DENKI AMERICA, Inc.
79
Velocity Loop Parameter Block Diagram
Torque Loop Parameter Block Diagram
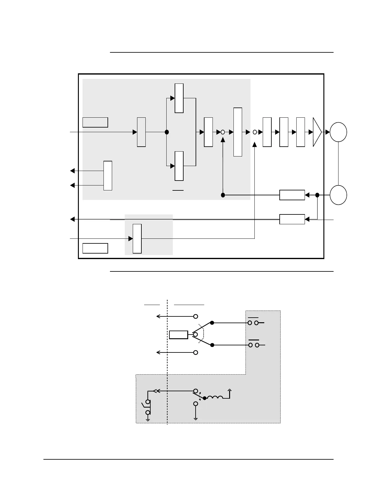
Internal and external current limit parameters diagram
Velocity Control
Current Limiting
Output Pulse
Divisio
n
4 Multiplier
Mode1-14
Velocity
Command Scale
Acceleratio
n
Deceleratio
n
Time Time
Velocit
y
CMD
Low Pass Filter
Velocit
y
Loo
p
Pro
p
ortional
Gain Inte
g
ral Time Constant
Current CMD
Low Pass Filte
r
Current CMD
Notch Filter #1
Current CMD
Notch Filter #2
Current
Monitor Out
p
ut
Selection
Tor
q
ue CMD
Scale
Mode 0-1
Mode 0-5
Mode 0-3
Mode 0-2
Mode 0-6 Mode 0-7 Mode 0-8
Mot o
r
Mode 4-0
Mode 4-1
Mode 1-15
Mode 1-4
Encod
e
r
Torque CMD
Volta
g
e
A
,
B
MON2
MON1
Velocity CMD
Volta
g
e
+
-
This area active
in torque mode
is not
Mode 0-10
Mode 0-11
0
100%
CR1
CR1
1
CR1
External
Internal to Drive
External Current
Limit Permit
(ILM) CN1-31
Positive Current
Limit (PIL)
CN1-18
Negative Current
Limit (NIL)
CN1-19
Internal Current
Limit (IILM)
Mode 1 Page 11
30 - 400%
Current Limit Control
Mode 2, Func1, Bit 0
0=Internal Value
1=External Value
0
1
1
Enabled
Externally
Always
Enabled
Current Limiting Enable
Positive
Current
Limit
Negative
Current
Limit
Current Limit (ILM)
Permit Source
Func0, Mode 2, Bit 2
Artisan Technology Group - Quality Instrumentation ... Guaranteed | (888) 88-SOURCE | www.artisantg.com

Table of Contents

Related product manuals