EasyManua.ls Logo

Seeburg LS 1 - Parts List

Seeburg LS 1
126 pages
Print Icon
To Next Page IconTo Next Page
To Next Page IconTo Next Page
To Previous Page IconTo Previous Page
To Previous Page IconTo Previous Page
Loading...
t5.22 SERVICE MANUAL
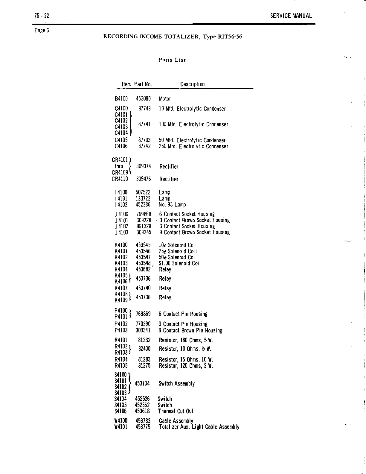
Page 6
RECORDING
INCOME
TOTALIZER, Type RITr4-56
Parts List
Item
Part No.
Description
84IOO
c4100
c4l0l
c4102
c4103
c4104
c4105
c4106
453080
Motor
87743 l0
Mfd.
Electrolytic Condenser
81141 100 Mfd.
Electrolytic Condenser
87703
50 l\,!fd.
Electrolytic Condenser
87742 250
Mfd.
Elecholytic
Condenser
cR4l0l
)
thtu i
cR4r09l
cR4l I0
309v4
309475
507522
133122
452386
769858
309328
861328
309345
Rectifier
Rectifier
Lamp
Lamp
N0.93 Lamp
6
Contact Socket
Housing
.
3 Contact Brown Socket
Housing
3 Contact Socket Housing
9
Contact Brown Socket
Housing
l0C
Solenoid Coil
25C
Solenoid Coil
50d
Solenoid Coil
$1.00
Solenoid Coil
Relay
Relay
Relay
Relay
6
Contact
Pin
Housing
3
Contact Pin Housing
I
Contact &own Pin Housing
Resistor, 180
0hms,
5
lv.
Resistor,
l0
0hms,
14
W.
Resistor,
15
0hms,
l0
lV.
Resistor,
120
ohrlls,
2 ltl.
Switch Assembly
Switch
Switch
Thermal
Cut
Out
Cable
Assembly
Totalizer Aux.
Light Cable Assembly
K4100
453545
K4l0l
453545
K4102 453547
K4103 453548
K4104
453582
fifl$lI
rsrne
K4107
453740
fil!!|
m:,:s
[fl!![
msees
P4102
'0390
P4103 309341
R4l0l 81232
[f]!!]
u,oo
R4104 81283
R4105
81275
t4100
I4IOI
t4102
I
4100
J
4I
OI
I4102
r 4103
Y{4100
tv4l0l
s4100 )
s4l0l t
8il33,
s4104
s4105
s4106
453104
452525
452562
453618
453783
453775

Table of Contents

Related product manuals