EasyManua.ls Logo

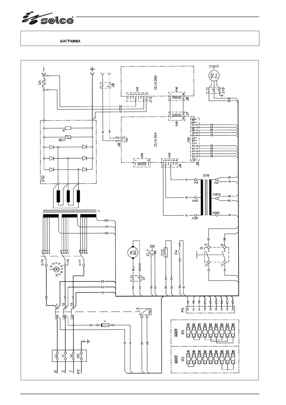
Selco NEOMIG 2000 - NEOMIG 2000-2400 XP Schematic Diagram

Default Icon
Print Icon
To Next Page IconTo Next Page
To Next Page IconTo Next Page
To Previous Page IconTo Previous Page
To Previous Page IconTo Previous Page
Loading...
154
Schema, Diagram, Schaltplan, Schéma, Esquema, Diagrama, Schema, kopplingsschema, Oversigt, Skjema,
Kytkentäkaavio,
NEOMIG 2000-2400 XP

Table of Contents

Related product manuals