EasyManua.ls Logo

Siemens SIMATIC ET 200M - 3.3.2 Passing on parameter assignment data from the PD; PC with IM 153-2

Siemens SIMATIC ET 200M
274 pages
To Next Page IconTo Next Page
To Next Page IconTo Next Page
To Previous Page IconTo Previous Page
To Previous Page IconTo Previous Page
Loading...
Assignment planning
3.3 Configuration possibilities for PROFIBUS DP
ET 200M
36 Operating Instructions, 12/2008, EWA-4NEB780600602-08
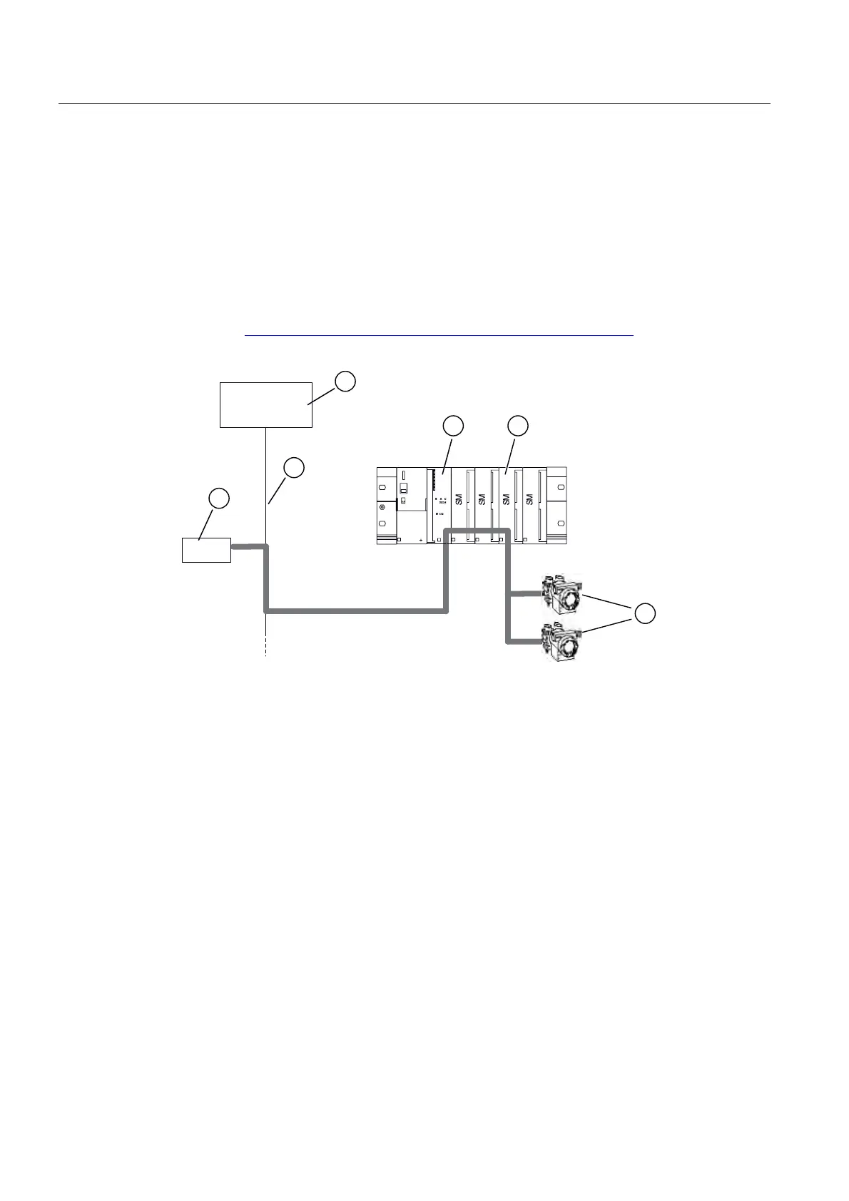
3.3.2 Passing on parameter assignment data from the PD / PC with IM 153-2
Example configuration with IM 153-2 and a HART module
You can use HART modules in the ET 200M In this application, the ET 200M HART is a
master for HART slaves (intelligent field devices) in the Ex area. The IM 153-2 passes on
parameter assignment data from the PD / PC via the HART analog input module to the
intelligent field devices and back again (the thick line indicates the communication path). For
a detailed description, please refer to "S7-300 Automation Systems, ET 200M Ex I/O
Modules (http://support.automation.siemens.com/WW/view/en/1096709
)" in the device
manual.
1 2
3
6
5
4
IM 153-2
For example: SM 331; AI 2 x 0/4 … 20 mA HART
Intelligent field devices
PROFIBUS DP
PD/PC
DP master
Figure 3-2 Passing on parameter assignment data with an IM 153-2 and HART modules

Table of Contents

Other manuals for Siemens SIMATIC ET 200M

Related product manuals