EasyManua.ls Logo

Siemens SIMOTICS S-1FL6 - Page 59

Siemens SIMOTICS S-1FL6
118 pages
To Next Page IconTo Next Page
To Next Page IconTo Next Page
To Previous Page IconTo Previous Page
To Previous Page IconTo Previous Page
Loading...
Getting Started
A5E37208904-003, 04/2017
59
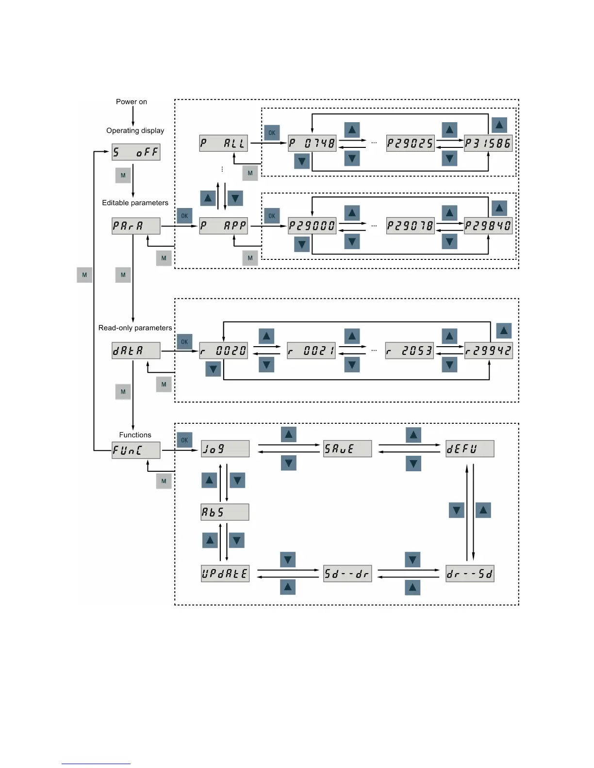
Menu structure
The overall parameter structure of SINAMICS V90 PN BOP is designed as follows:

Other manuals for Siemens SIMOTICS S-1FL6

Related product manuals