EasyManua.ls Logo

Siemens SIMOVERT MASTERDRIVE SLE - Page 53

Siemens SIMOVERT MASTERDRIVE SLE
Print Icon
To Next Page IconTo Next Page
To Next Page IconTo Next Page
To Previous Page IconTo Previous Page
To Previous Page IconTo Previous Page
Loading...
SLE / SLE-DP – SIMOLINK-Encoder 02.2001 Anhang
GWE-477 763 4070.76 J Siemens AG
Betriebsanleitung SIMOVERT MASTERDRIVES
Anhang B: Projektierungsbeispiel MASTERDRIVES MC, Firmware ab 1.41
-160-
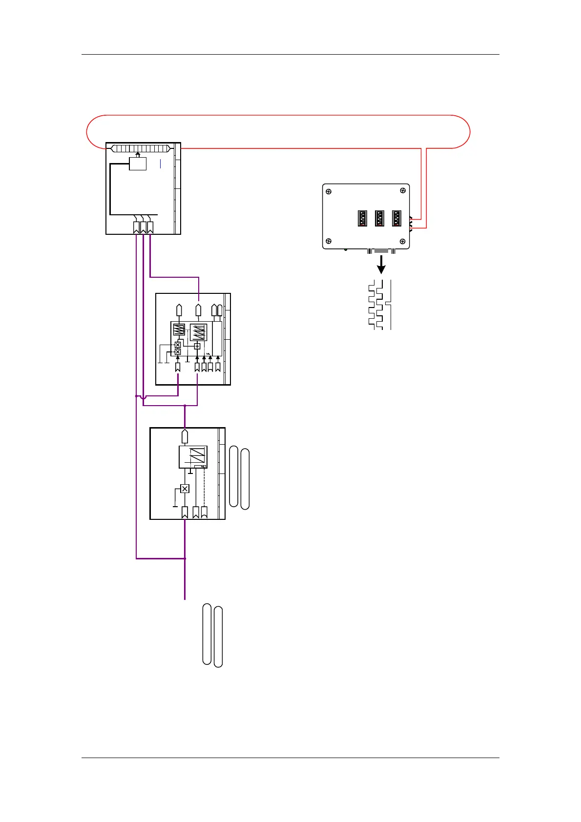
MASTERDRIVES MC
SIMOLINK senden
SLB
N.2
N.1
N.0
L.2
L.1
...
M.2
M.1
M.0
...
O.0
...
L.0
. . . . . .
node
_N_
U430
-791-
MASTERDRIVES MC
Virtueller Master
KK0610
U431
-793-
MASTERDRIVES MC
SLE SIMOLINK Encoder
KK 850
B 835
K 849
KK 848
U806
U807
U805
U963.35 = 3350
U953.35 = 4
U961.51 = 3340
U951.51 = 4
Übersicht: Parametrierung SIMOLINK Encoder
Betrieb mit Firmware Version >= 1.41
Sollwert für VM
von Hochlaufgeber
KK 571 [790.8]

Table of Contents

Related product manuals