EasyManua.ls Logo

Siemens SIPROTEC 7SJ61 - Page 104

Siemens SIPROTEC 7SJ61
454 pages
Print Icon
To Next Page IconTo Next Page
To Next Page IconTo Next Page
To Previous Page IconTo Previous Page
To Previous Page IconTo Previous Page
Loading...
Functions
2.6 Motor Protection
SIPROTEC, 7SJ61, Manual
C53000-G1140-C210-1, Release date 02.2008
104
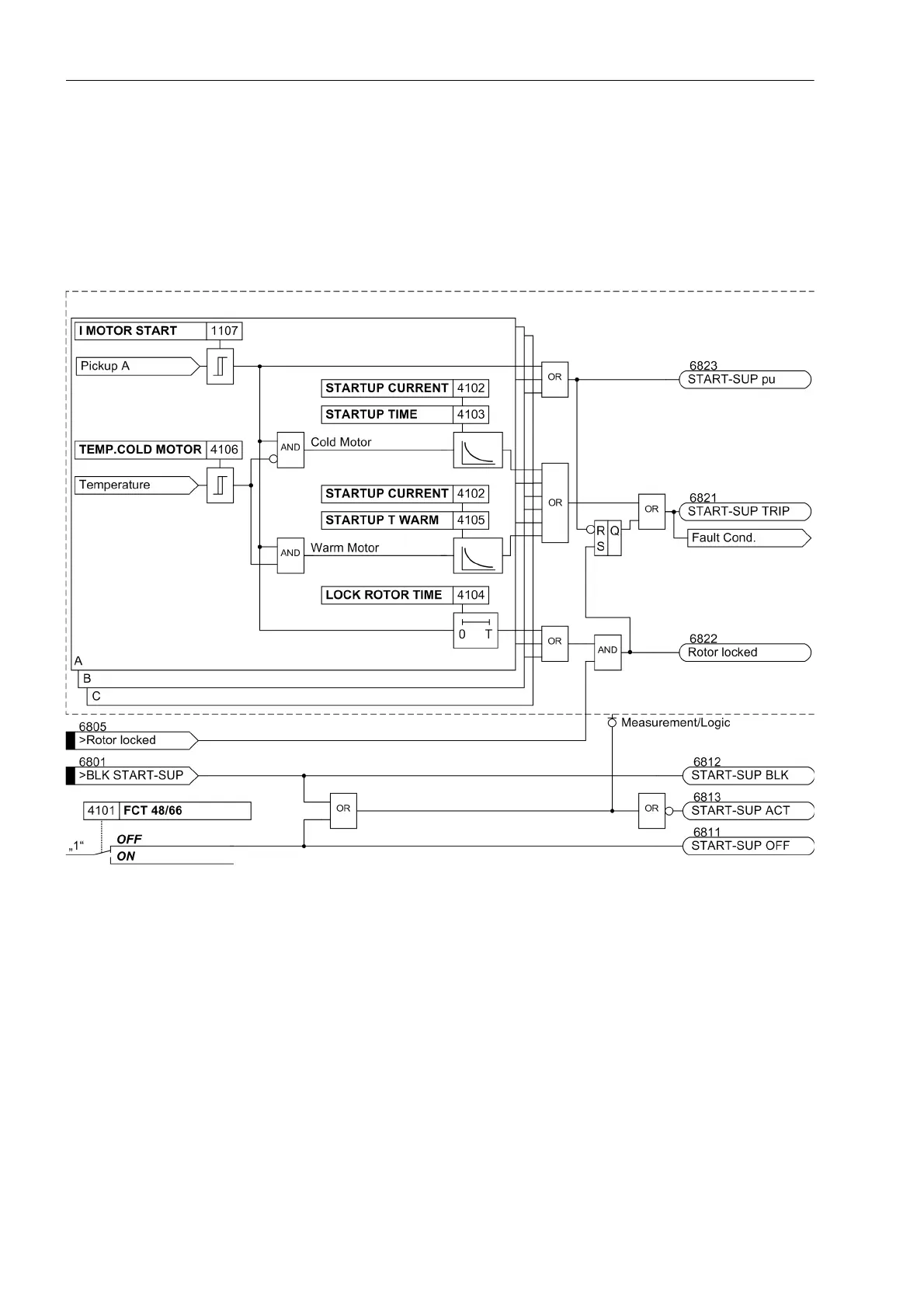
Logic
Motor starting protection may be switched on or off. In addition, motor starting protection may be blocked via a
binary input which will reset timers and pickup annunciations. The following figure illustrates the logic of motor
starting protection. A pickup does not create messages in the trip log buffer. Fault recording is not started until
a trip command has been issued. When the function drops out, all timers are reset. The annunciations disap-
pear and a trip log is terminated should it have been created.
Figure 2-31 Logic diagram of the Motor Starting Protection

Table of Contents

Other manuals for Siemens SIPROTEC 7SJ61

Related product manuals