EasyManua.ls Logo

Siemens SIPROTEC 7SJ61 - Panel Surface Mounting (Housing Size ); Varistor

Siemens SIPROTEC 7SJ61
454 pages
Print Icon
To Next Page IconTo Next Page
To Next Page IconTo Next Page
To Previous Page IconTo Previous Page
To Previous Page IconTo Previous Page
Loading...
Technical Data
4.22 Dimensions
SIPROTEC, 7SJ61, Manual
C53000-G1140-C210-1, Release date 02.2008
367
4.22.2 Panel Surface Mounting (Housing Size
1
/
3
)
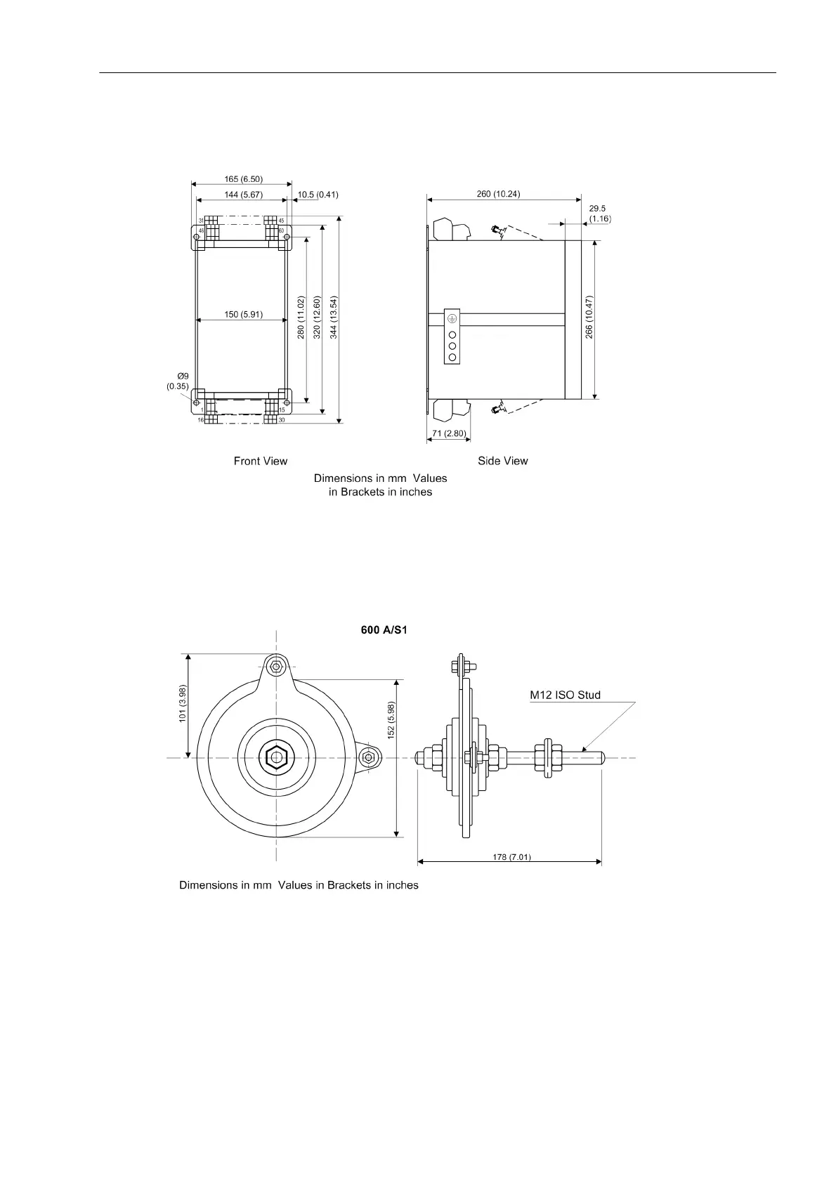
Figure 4-14 Dimensional drawing of a 7SJ61 for panel flush mounting (housing size
1
/
3
)
4.22.3 Varistor
Figure 4-15 Dimensional drawing of the varistor for voltage limiting in high-impedance differential protection

Table of Contents

Other manuals for Siemens SIPROTEC 7SJ61

Related product manuals