EasyManua.ls Logo

Siemens SIPROTEC 7SJ61 - Page 127

Siemens SIPROTEC 7SJ61
454 pages
Print Icon
To Next Page IconTo Next Page
To Next Page IconTo Next Page
To Previous Page IconTo Previous Page
To Previous Page IconTo Previous Page
Loading...
Functions
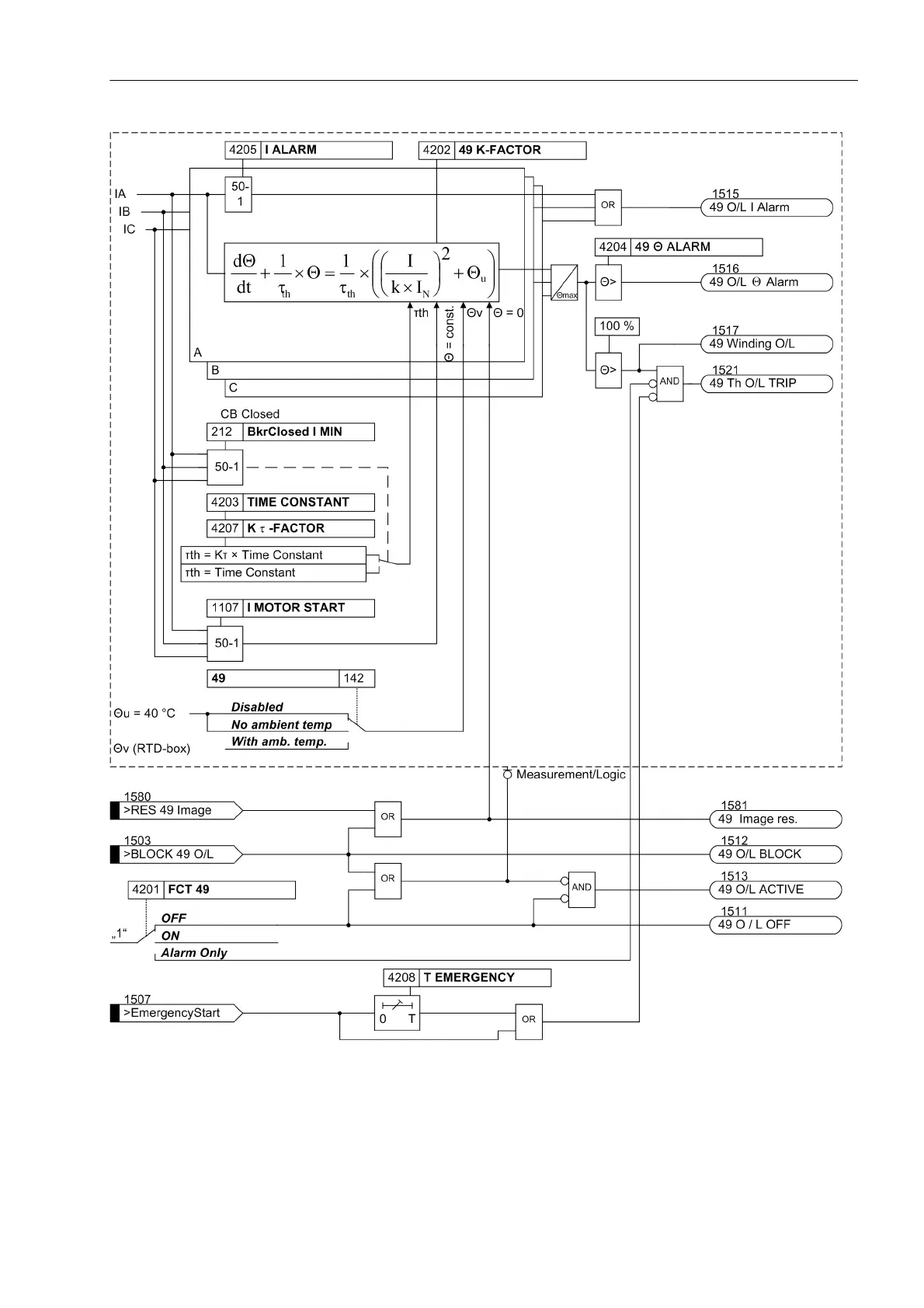
2.7 Thermal Overload Protection 49
SIPROTEC, 7SJ61, Manual
C53000-G1140-C210-1, Release date 02.2008
127
Figure 2-40 Logic diagram of the overload protection

Table of Contents

Other manuals for Siemens SIPROTEC 7SJ61

Related product manuals