EasyManua.ls Logo

Siemens SIPROTEC 7SJ61 - Page 388

Siemens SIPROTEC 7SJ61
454 pages
Print Icon
To Next Page IconTo Next Page
To Next Page IconTo Next Page
To Previous Page IconTo Previous Page
To Previous Page IconTo Previous Page
Loading...
Appendix
A.3 Connection Examples
SIPROTEC, 7SJ61, Manual
C53000-G1140-C210-1, Release date 02.2008
388
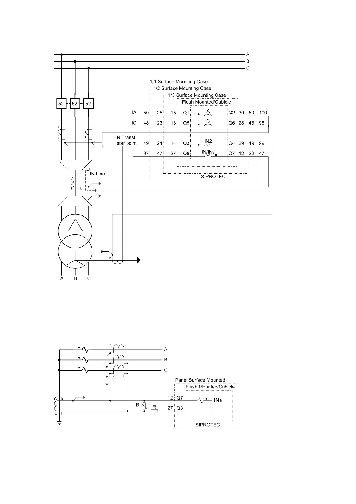
Figure A-14 Current transformer connections to two phase currents and two ground currents;
IN/INs – ground current of the line, IG2 – ground current of the transformer starpoint
Important! Grounding of the cable shield must be effected at the cable's side
For busbar-side grounding of the current transformer, the current polarity of the device is changed via address
0201. This also reverses the polarity of current input IN/INs. When using a cable-type current transformer, the
connection of k and l at Q8 and Q7 must be changed.
Figure A-15 High-impedance differential protection for a grounded transformer winding (
showing the partial connection for the high-impedance differential protection)

Table of Contents

Other manuals for Siemens SIPROTEC 7SJ61

Related product manuals