EasyManua.ls Logo

Siemens SIPROTEC 7SJ61 - Page 50

Siemens SIPROTEC 7SJ61
454 pages
Print Icon
To Next Page IconTo Next Page
To Next Page IconTo Next Page
To Previous Page IconTo Previous Page
To Previous Page IconTo Previous Page
Loading...
Functions
2.2 Overcurrent Protection 50, 51, 50N, 51N
SIPROTEC, 7SJ61, Manual
C53000-G1140-C210-1, Release date 02.2008
50
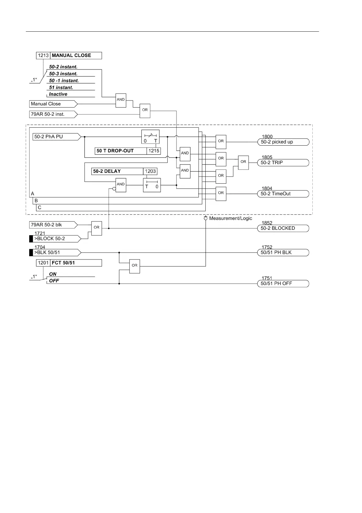
Figure 2-4 Logic diagram for 50-2 for phases
If parameter MANUAL CLOSE is set to 50-2 instant. or 50-3 instant. and manual close detection is
used, a pickup causes instantaneous tripping, even if the element is blocked via binary input. The same applies
to 79AR 50-2 inst.

Table of Contents

Other manuals for Siemens SIPROTEC 7SJ61

Related product manuals