EasyManua.ls Logo

Siemens SIPROTEC 7SJ61 - Page 56

Siemens SIPROTEC 7SJ61
454 pages
Print Icon
To Next Page IconTo Next Page
To Next Page IconTo Next Page
To Previous Page IconTo Previous Page
To Previous Page IconTo Previous Page
Loading...
Functions
2.2 Overcurrent Protection 50, 51, 50N, 51N
SIPROTEC, 7SJ61, Manual
C53000-G1140-C210-1, Release date 02.2008
56
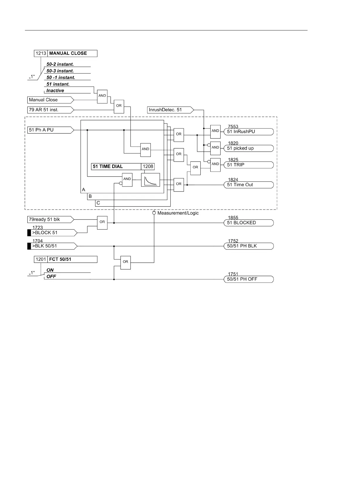
Figure 2-10 Logic diagram of the inverse-time overcurrent protection element for phases
If parameter MANUAL CLOSE is set to 51 instant. and manual close detection applies, the trip is initiated
as soon as the pickup conditions arrive, even if the element is blocked via a binary input. The same applies to
79AR 51 inst.

Table of Contents

Other manuals for Siemens SIPROTEC 7SJ61

Related product manuals