EasyManua.ls Logo

Sinoboom AB16EJ Plus - Hydraulic Schematic Diagram

Sinoboom AB16EJ Plus
157 pages
Print Icon
To Next Page IconTo Next Page
To Next Page IconTo Next Page
To Previous Page IconTo Previous Page
To Previous Page IconTo Previous Page
Loading...
© Mar. 2023
70 AB16EJ Plus Maintenance Manual
HYDRAULIC SYSTEM
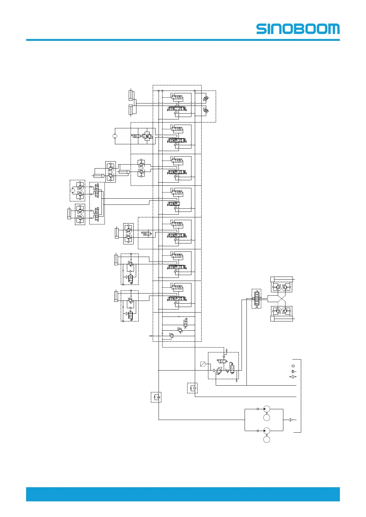
7.11 HYDRAULIC SCHEMATIC
DIAGRAM
Fig 10 Hydraulic Schematic Diagram
P
d/a
P
T
Steer cylinder
Level cylinder
Lift cylinder, jib
boom
Platform rotator
DT103
DT104
DT101
DT102
P
M4
B1
A1
B2A2
Lift cylinder, tower boom
M1
M2
A
B
M1
M2
A
B
Telescope cylinder, base
boom
A B A BA B A B
a
b
A B
a
b
M2
M1
P
LS
LS
A
T
S222 S221 S227 S204 S225 S224 S217
S228 S226 S223 S216S229S234
DT230
DT225
S215 S212
T
AB
Turnable swing
A B
A
B
DT240
DT241
M
Left front oscillate
cylinder
Right front oscillate cylinder
Multiple directional
valve, oscillate float
V2
V1
V2
B
P
A
T
Lift cylinder, tower
boom
M M

Table of Contents

Other manuals for Sinoboom AB16EJ Plus

Related product manuals