EasyManua.ls Logo

Sinoboom TB20J Plus - Hydraulic Schematic Diagram

Default Icon
193 pages
Print Icon
To Next Page IconTo Next Page
To Next Page IconTo Next Page
To Previous Page IconTo Previous Page
To Previous Page IconTo Previous Page
Loading...
© Feb. 2023
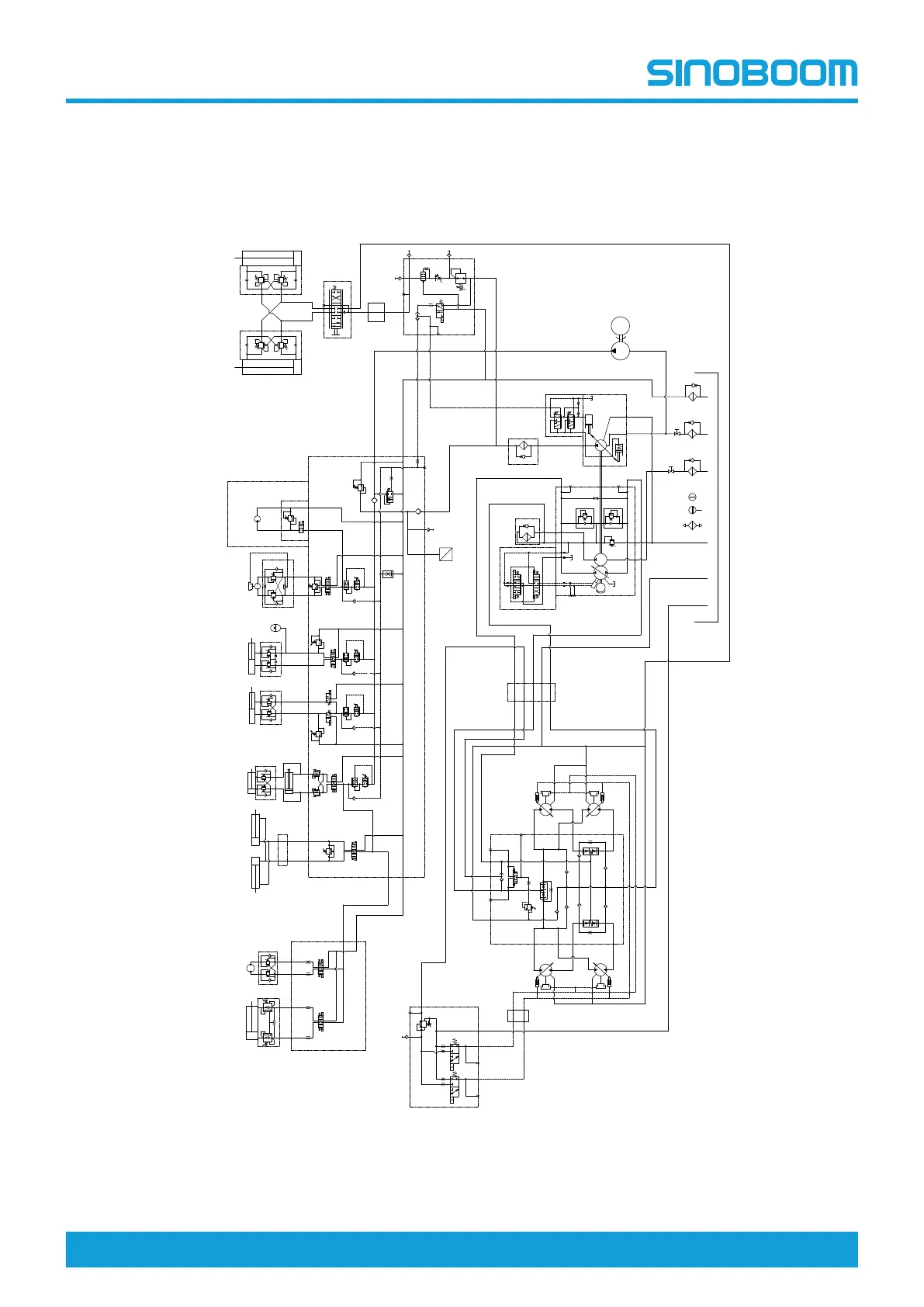
110 TB20J Plus Maintenance Manual
HYDRAULIC SYSTEM
8.10 HYDRAULIC SCHEMATIC
DIAGRAM
Fig 14 Hydraulic schematic diagram
P
d/a
L2
S
S209
E
M2
M1
Turnable swing
Lift cylinder
Telescope cylinder
alternator
Steer cylinder
E
F
M4
M5
M1
M2
B
A
Platform leveling
M
S210
S202
DT203
DT204
S203
S201
DT202
DT201
DT207
DT208
S204
DT209
DT210
DT206
DT205
P
LS
P
T
T1
A
A1
B1
A2
B2
A3
B3
A4
B4
A5
B5
B
T2
DT217
Pil
Pil
T
DS
DS
M
P2
P1
DT216
DT212
T
P
Left front oscillate
cylinder
Right front oscillate
cylinder
B
P
M2
M1
LS
T
P
M5
A
LS1
LS2
V2
V1
V1
V2
P1
A
T
M3
M4
M3
Platform control manifold
T
P
Platform rotator
DT102
DT101
A1
B1
DT104
DT103
A2 B2
Hydraulic rotary coupler
Hydraulic rotary coupler
Hydraulic rotary coupler
Function manifold
Lift cylinder, jib boom
Hydraulic rotary coupler
Multiple directional
valve, oscillate float
options
Accumulator
A1
B1
B4
A4
T
A2
B2
A2
B2
A1
B1
B4
A4
T
C
C
Front right wheel
Front left wheel
Rear left wheel
Rear right wheel
V1 V2
V1 V2
V1 V2
V1 V2
C1 C2
V2
V1
C2
C1
V1V2
100/70-100 100/70-100
Master cylinder
Brake/Two speed manifold
C3
T
M
C
FLA
RLA
A
RLB
RRB
RRA
FRA
FLB
FRB
B
T1
MB
MA
DT225
A
B
B
A
A
B
B
A
150bar
A
B
A
B
L
L
L
L
X
X
X
X
N
N
N
N

Table of Contents

Other manuals for Sinoboom TB20J Plus

Related product manuals